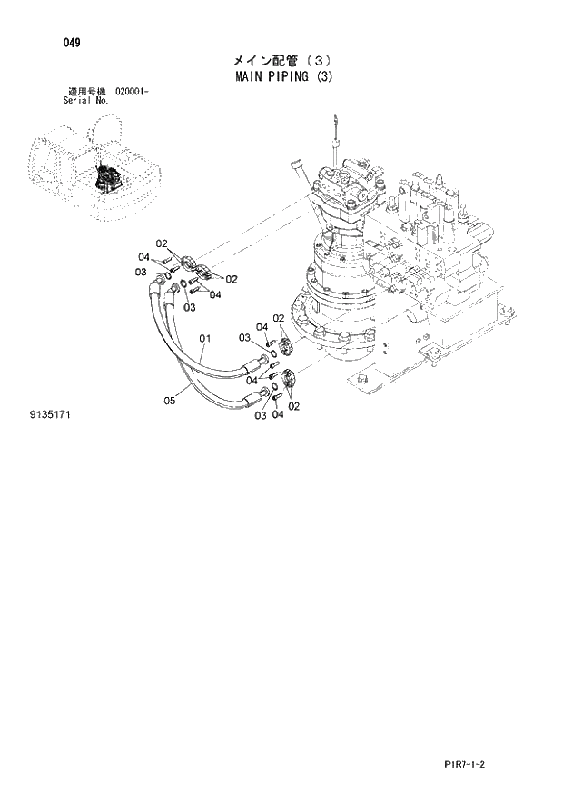
Запчасти Hitachi ZX110M-3 049_MAIN PIPING (3) (020001 -). 01 UPPERSTRUCTURE

Схема запчастей Hitachi ZX110M-3 - 049_MAIN PIPING (3) (020001 -). 01 UPPERSTRUCTURE
FIT
1:1
100%

Артикул

Название

Примечание

Количество

1

4333700

HOSE

1шт.

2

4510173

FLANGE;SPLIT

8шт.

3

4510167

O-RING

4шт.

4

J780825

BOLT;SOCKET

16шт.

5

4333699

HOSE

1шт.

Выбрано товаров: 5