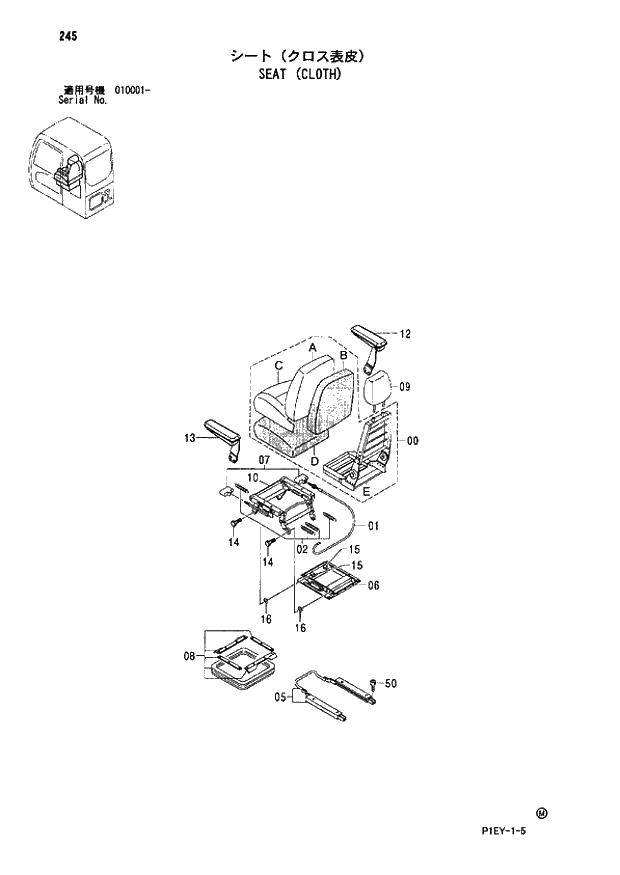
Запчасти Hitachi ZX110M 245_SEAT (CLOTH) (010001 -). 01 UPPERSTRUCTURE

Схема запчастей Hitachi ZX110M - 245_SEAT (CLOTH) (010001 -). 01 UPPERSTRUCTURE
FIT
1:1
100%

Артикул

Название

Примечание

Количество

00-16

4393371

SEAT ASS'Y

1шт.

0

4456372

* SEAT

1шт.

00A

4456373

** COVER

T -10602

1шт.

00A

4456373

** COVER

T

1шт.

00A

4609075

** COVER

010603 -

1шт.

00B

4370194

** PAD

1шт.

00C

4456374

** COVER

T -10602

1шт.

00C

4456374

** COVER

T

1шт.

00C

4609076

** COVER

010603 -

1шт.

00D

4370196

** PAD

1шт.

00E

4370197

** FRAME

1шт.

1

4370198

* CABLE

1шт.

2

4370199

* SPRING

1шт.

5

4370202

* SLIDER

1шт.

6

4370203

* FRAME

1шт.

7

4370204

* HANDLE

1шт.

8

4370206

* COVER

1шт.

9

4456375

* REST;HEAD

I -10602

1шт.

9

4609077

* REST;HEAD

010603 -

1шт.

10

4624661

* STAND

1шт.

12

4456376

* REST;ARM (R)

1шт.

13

4456377

* REST;ARM (L)

1шт.

14

4441593

* BOLT

4шт.

15

4442062

* NUT

2шт.

16

4442063

* WASHER

4шт.

50

M340816

BOLT;SOCKET

4шт.

Выбрано товаров: 26