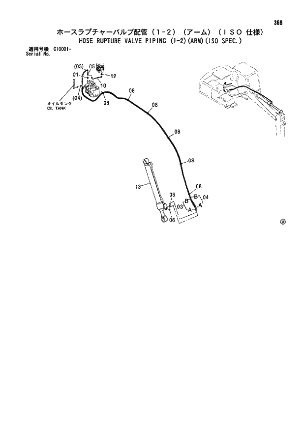
Запчасти Hitachi ZX110M 368_HOSE RUPTURE VALVE PIPING (1-2)(ARM)(ISO SPEC.) (010001 -). 03 FRONT-END ATTACHMENTS

Схема запчастей Hitachi ZX110M - 368_HOSE RUPTURE VALVE PIPING (1-2)(ARM)(ISO SPEC.) (010001 -). 03 FRONT-END ATTACHMENTS
FIT
1:1
100%

Артикул

Название

Примечание

Количество

1

4202422

ADAPTER;S

1шт.

01A

4509180

* O-RING

1шт.

3

9191845

HOSE ASS'Y

1шт.

03A

4439467

* HOSE

1шт.

03B

4327293

* PROTECTOR

9шт.

4

9191847

HOSE ASS'Y

1шт.

04A

4439472

* HOSE

1шт.

04B

4327293

* PROTECTOR

9шт.

5

4246672

UNION;M

1шт.

6

A852323

ELBOW;S

2шт.

06A

957366

* O-RING

1шт.

8

4055312

CLIP;BAND

6шт.

10

4436264

HOSE

1шт.

12

A852133

ADAPTER;S

1шт.

12A

4509180

* O-RING

1шт.

13

4440716

CYL. ;ARM

1шт.

Выбрано товаров: 16