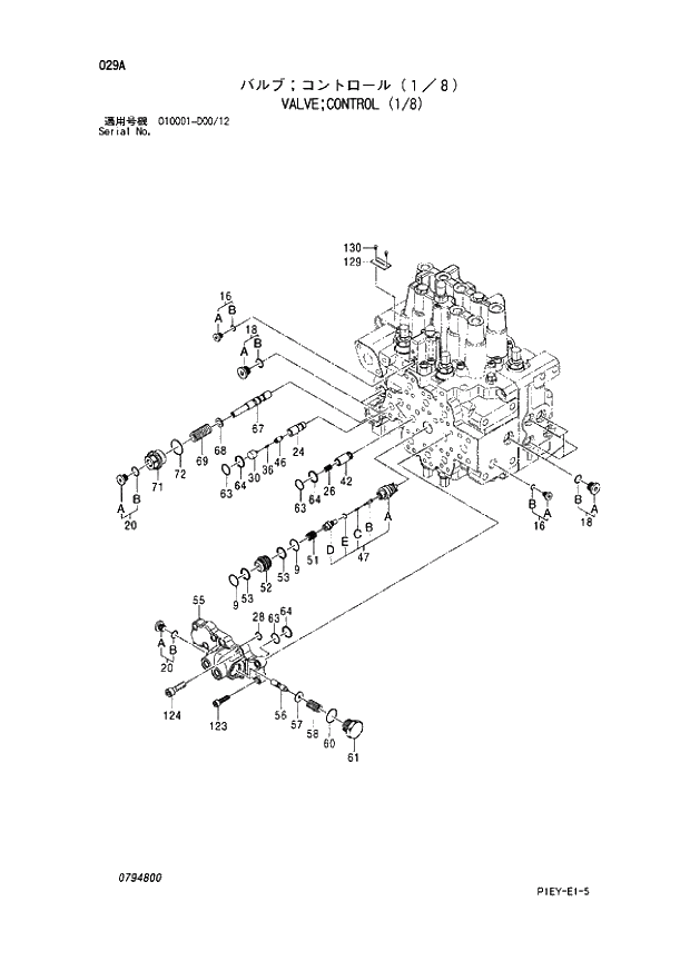
Запчасти Hitachi ZX110M 029_VALVE;CONTROL (1_8) (010001 - D00_12). 04 VALVE

Схема запчастей Hitachi ZX110M - 029_VALVE;CONTROL (1_8) (010001 - D00_12). 04 VALVE
FIT
1:1
100%

Артикул

Название

Примечание

Количество

4429121

VALVE;CONTROL

1шт.

9

985099

* O-RING

2шт.

16

669502

* PLUG

2шт.

16A

669503

** PLUG

1шт.

16B

4506408

** O-RING

1шт.

18

664404

* PLUG

7шт.

18A

669504

** PLUG

1шт.

18B

4509180

** O-RING

1шт.

20

669614

* PLUG

2шт.

20A

669615

** PLUG

1шт.

20B

957366

** O-RING

1шт.

24

793201

* BUSHING

1шт.

26

309413

* SPRING

2шт.

28

4506412

* O-RING

5шт.

30

793202

* PLUG

1шт.

36

793203

* SPRING

1шт.

42

669801

* VALVE;CHECK

2шт.

46

793204

* VALVE;CHECK

1шт.

47

669601

* SEAT;VALVE ASS'Y

1шт.

47A

669602

** SEAT;VALVE

1шт.

47B

669603

** VALVE;CHECK

1шт.

47C

669604

** SPRING

1шт.

47D

669605

** PLUG

1шт.

47E

4506408

** O-RING

1шт.

51

669606

* SPRING

1шт.

52

669607

* BUSHING

1шт.

53

669608

* RING;BACK-UP

2шт.

55

793205

* PLATE

1шт.

56

669613

* SPOOL

1шт.

57

669616

* WASHER

1шт.

58

669617

* SPRING

1шт.

60

4506424

* O-RING

1шт.

61

793206

* PLUG

1шт.

63

669624

* O-RING

3шт.

64

669625

* RING;BACK-UP

3шт.

67

793207

* SPOOL

1шт.

68

670303

* WASHER

1шт.

69

793208

* SPRING

1шт.

71

793209

* PLUG

1шт.

72

4506428

* O-RING

1шт.

123

411804

* BOLT;SOCKET

3шт.

124

411912

* BOLT;SOCKET

7шт.

129

+++++++

* NAME-PLATE

1шт.

130

+++++++

* NAIL

2шт.

Выбрано товаров: 44