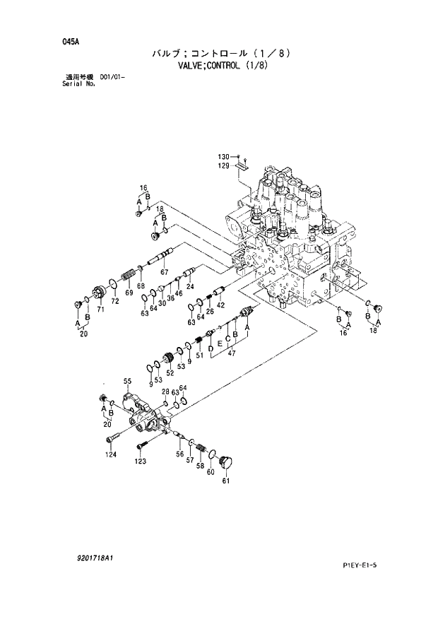
Запчасти Hitachi ZX110M 045_VALVE;CONTROL (1_8) (D01_01 -). 04 VALVE

Схема запчастей Hitachi ZX110M - 045_VALVE;CONTROL (1_8) (D01_01 -). 04 VALVE
FIT
1:1
100%

Артикул

Название

Примечание

Количество

9201718

VALVE;CONTROL

I

1шт.

-9207700

VALVE;CONTROL

1шт.

9

985099

* O-RING

2шт.

16

9134109

* PLUG

2шт.

16A

4336165

** PLUG

1шт.

16B

4506408

** O-RING

1шт.

18

9134111

* PLUG

7шт.

18A

4336167

** PLUG

1шт.

18B

4509180

** O-RING

1шт.

20

9134110

* PLUG

2шт.

20A

4336166

** PLUG

1шт.

20B

957366

** O-RING

1шт.

24

2046614

* BUSHING

1шт.

26

2046415

* SPRING

2шт.

28

4506412

* O-RING

1шт.

30

2046621

* PLUG

1шт.

36

2046607

* SPRING

1шт.

42

2046395

* VALVE;CHECK

2шт.

46

2046602

* VALVE;CHECK

1шт.

47

9200478

* SEAT;VALVE ASS'Y

1шт.

47A

1029245

** SEAT;VALVE

1шт.

47B

2046394

** VALVE;CHECK

1шт.

47C

2046420

** SPRING

1шт.

47D

2046453

** PLUG

1шт.

47E

4506408

** O-RING

1шт.

51

2046423

* SPRING

1шт.

52

2046405

* BUSHING

1шт.

53

2046501

* RING;BACK-UP

2шт.

55

4161

* PLATE

1шт.

56

2046381

* SPOOL

1шт.

57

2046482

* WASHER

1шт.

58

2046425

* SPRING

1шт.

60

4506424

* O-RING

1шт.

61

2046620

* PLUG

1шт.

63

2046490

* O-RING

4шт.

64

2046502

* RING;BACK-UP

4шт.

67

2046596

* SPOOL

1шт.

68

2046481

* WASHER

1шт.

69

2046612

* SPRING

1шт.

71

2046625

* PLUG

1шт.

72

4506428

* O-RING

1шт.

123

M340830

* BOLT;SOCKET

3шт.

124

M341036

* BOLT;SOCKET

7шт.

129

+++++++

* NAME-PLATE

1шт.

130

+++++++

* NAIL

2шт.

Выбрано товаров: 45