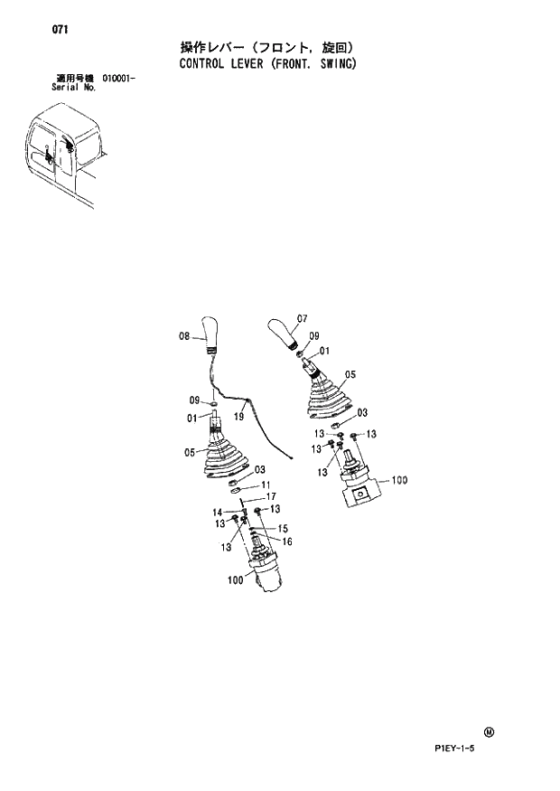
Запчасти Hitachi ZX110M 071_CONTROL LEVER (FRONT, SWING) (010001 -). 01 UPPERSTRUCTURE

Схема запчастей Hitachi ZX110M - 071_CONTROL LEVER (FRONT, SWING) (010001 -). 01 UPPERSTRUCTURE
FIT
1:1
100%

Артикул

Название

Примечание

Количество

1

4445322

LEVER

2шт.

3

J950014

NUT

2шт.

5

2045470

BOOT

2шт.

7

2045473

GRIP

1шт.

8

2045472

GRIP

1шт.

9

J952012

NUT

2шт.

11

4055311

CLIP;BAND

1шт.

13

J020816

BOLT;SEMS

0

7шт.

13

J260814

BOLT;SEMS

T D03/05 - 010862

7шт.

13

J260814

BOLT;SEMS

T

7шт.

13

J260820

BOLT;SEMS

T 010863 -

7шт.

13

J260820

BOLT;SEMS

T

7шт.

14

4438279

BOLT

-10862

1шт.

14

4609956

BOLT

010863 -

1шт.

15

A590908

WASHER;SPRING

1шт.

16

A590108

WASHER;PLANE

1шт.

17

4144011

PIN;SPRING

1шт.

19

4300351

CLIP;BAND

1шт.

100

9193403

VALVE;PILOT

T -10862

2шт.

100

9193403

VALVE;PILOT

T

2шт.

100

9193403

VALVE;PILOT

T

2шт.

100

9195304

VALVE;PILOT

T -10862

2шт.

100

9195304

VALVE;PILOT

T

2шт.

100

9195304

VALVE;PILOT

T

2шт.

100

9234272

VALVE;PILOT

I 010863 -

2шт.

100

9239583

VALVE;PILOT

010863 -

2шт.

Выбрано товаров: 26