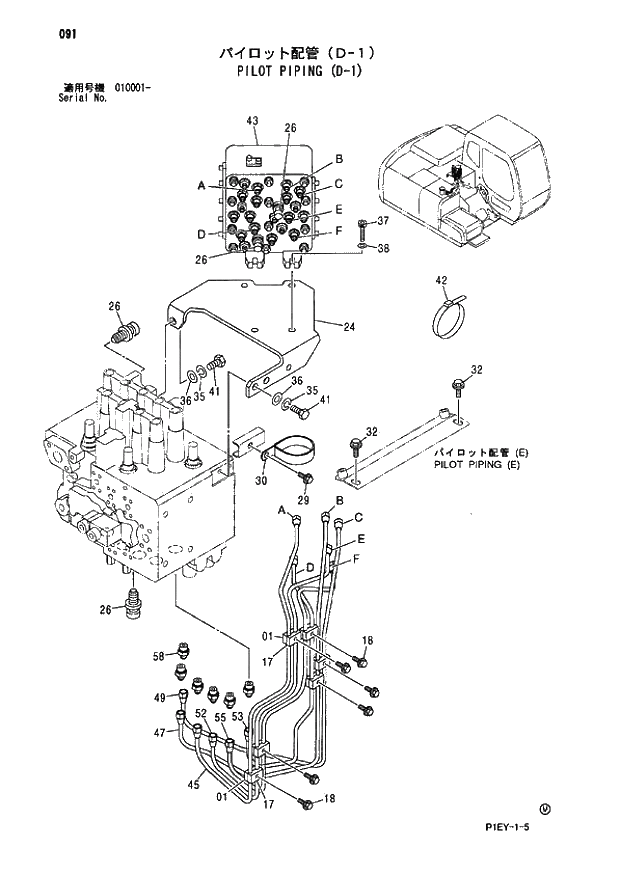
Запчасти Hitachi ZX110M 091_PILOT PIPING (D-1) (010001 -). 01 UPPERSTRUCTURE

Схема запчастей Hitachi ZX110M - 091_PILOT PIPING (D-1) (010001 -). 01 UPPERSTRUCTURE
FIT
1:1
100%

Артикул

Название

Примечание

Количество

1

9735305

CLAMP

6шт.

17

9735306

CLAMP

6шт.

18

J010825

BOLT;SEMS

0

6шт.

18

J260825

BOLT;SEMS

T D03/05 -

6шт.

18

J260825

BOLT;SEMS

T

6шт.

24

8081659

BRACKET

1шт.

26

4436535

SENSOR;PRES.

4шт.

29

J011020

BOLT;SEMS

0

1шт.

29

J271020

BOLT;SEMS

T D03/05 -

1шт.

29

J271020

BOLT;SEMS

T

1шт.

30

4204136

CLIP

1шт.

32

J021025

BOLT;SEMS

0

2шт.

32

J271025

BOLT;SEMS

T D03/05 -

2шт.

32

J271025

BOLT;SEMS

T

2шт.

35

A590914

WASHER;SPRING

3шт.

36

A590114

WASHER;PLANE

3шт.

37

J781040

BOLT;SOCKET

4шт.

38

A590110

WASHER;PLANE

4шт.

41

J901435

BOLT

3шт.

42

4121859

CLIP;BAND

4шт.

43

4452625

VALVE;SHUTTLE

T -10368

1шт.

43

4452625

VALVE;SHUTTLE

T

1шт.

43

4452625

VALVE;SHUTTLE

T

1шт.

43

4468336

VALVE;SHUTTLE

010369 -

1шт.

45

3091717

PIPE

1шт.

47

3091735

PIPE

1шт.

49

3091736

PIPE

1шт.

52

3091718

PIPE

1шт.

53

3091719

PIPE

1шт.

55

3091739

PIPE

1шт.

58

4255305

FITTING;PIPE

6шт.

58A

4509180

* O-RING

1шт.

Выбрано товаров: 32