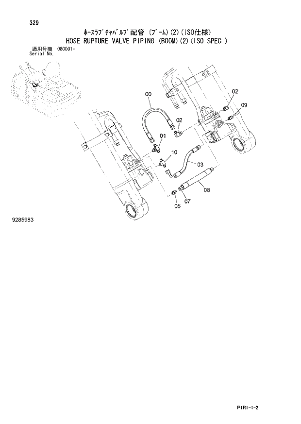
Запчасти Hitachi ZX120-3 329_HOSE RUPTURE VALVE PIPING (BOOM)(2)(ISO SPEC.) (080001 -). 03 FRONT-END ATTACHMENTS(MONO-BOOM)

Схема запчастей Hitachi ZX120-3 - 329_HOSE RUPTURE VALVE PIPING (BOOM)(2)(ISO SPEC.) (080001 -). 03 FRONT-END ATTACHMENTS(MONO-BOOM)
FIT
1:1
100%

Артикул

Название

Примечание

Количество

0

9190082

HOSE ASS'Y

1шт.

00A

4436267

* HOSE

1шт.

00B

4327293

* PROTECTOR

1шт.

1

A852423

TEE;S

1шт.

01A

957366

* O-RING

1шт.

2

A852323

ELBOW;S

2шт.

02A

957366

* O-RING

1шт.

3

9209495

HOSE ASS'Y

1шт.

03A

4450215

* HOSE

1шт.

03B

4327293

* PROTECTOR

1шт.

5

A852122

ADAPTER;S

1шт.

05A

957366

* O-RING

1шт.

7

4436270

HOSE

1шт.

8

4436292

PROTECTOR;HOSE

1шт.

9

A852322

ELBOW;S

1шт.

09A

957366

* O-RING

1шт.

10

A852523

TEE;S

1шт.

10A

957366

* O-RING

1шт.

Выбрано товаров: 18