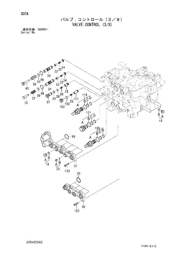
Запчасти Hitachi ZX120-3 037_VALVE;CONTROL (3_8) (080001 -). 03 VALVE

Схема запчастей Hitachi ZX120-3 - 037_VALVE;CONTROL (3_8) (080001 -). 03 VALVE
FIT
1:1
100%

Артикул

Название

Примечание

Количество

9284929

VALVE;CONTROL (3/8)

I

1шт.

-9285787

VALVE;CONTROL (3/8)

1шт.

18

9134111

* PLUG

5шт.

18A

4336167

** PLUG

1шт.

18B

4509180

** O-RING

1шт.

20

9134110

* PLUG

1шт.

20A

4336166

** PLUG

1шт.

20B

957366

** O-RING

1шт.

23

2046604

* VALVE;THROTTLE

1шт.

26

2046415

* SPRING

2шт.

27

2046449

* PLUG

1шт.

28

4506412

* O-RING

1шт.

29

2046494

* RING;BACK-UP

1шт.

31

2046594

* SPOOL

1шт.

32

2046601

* VALVE;CHECK

2шт.

33

2046609

* SPRING

2шт.

34

2046622

* PLUG

2шт.

35

2046595

* SPOOL

1шт.

37

2046610

* SPRING

1шт.

38

2046611

* SPRING

1шт.

39

2046615

* WASHER

2шт.

40

2046619

* BOLT

1шт.

70

2046458

* BOLT

1шт.

96

1029310

* HOUSING:PILOT

1шт.

97

4169

* HOUSING:PILOT

1шт.

98

2046488

* O-RING

2шт.

99

2046491

* O-RING

9шт.

119

9200492

* VALVE;RELIEF

1шт.

119A

+++++++

** VALVE;RELIEF

1шт.

119B

4506428

** O-RING

1шт.

119C

2046498

** RING;BACK-UP

1шт.

119D

4506420

** O-RING

1шт.

120

9200495

* VALVE;RELIEF

2шт.

120A

+++++++

** VALVE;RELIEF

1шт.

120B

4506428

** O-RING

1шт.

120C

2046498

** RING;BACK-UP

1шт.

120D

4506420

** O-RING

1шт.

121

9200483

* PLUG ASS'Y

1шт.

121A

2046444

** PLUG

1шт.

121B

4506428

** O-RING

1шт.

121C

2046498

** RING;BACK-UP

1шт.

121D

4506420

** O-RING

1шт.

123

M340830

* BOLT;SOCKET

14шт.

150

4506416

* O-RING

1шт.

151

2046603

* VALVE;CHECK

1шт.

152

2046623

* PLUG

1шт.

Выбрано товаров: 46