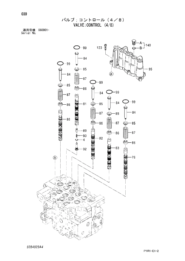
Запчасти Hitachi ZX120-3 039_VALVE;CONTROL (4_8) (080001 -). 03 VALVE

Схема запчастей Hitachi ZX120-3 - 039_VALVE;CONTROL (4_8) (080001 -). 03 VALVE
FIT
1:1
100%

Артикул

Название

Примечание

Количество

9284929

VALVE;CONTROL (4/8)

I

1шт.

-9285787

VALVE;CONTROL (4/8)

1шт.

4

4506320

* O-RING

1шт.

76

+++++++

* SPOOL

1шт.

80

+++++++

* SPOOL

1шт.

81

+++++++

* SPOOL

1шт.

82

+++++++

* SPOOL

1шт.

83

+++++++

* SPOOL

1шт.

84

2046457

* BOLT

5шт.

85

2046410

* SEAT;SPRING

5шт.

86

2046411

* SEAT;SPRING

5шт.

87

2046613

* SPRING

5шт.

89

2046392

* VALVE

1шт.

90

2046419

* SPRING

1шт.

92

2046451

* PLUG

1шт.

95

4167

* HOUSING

1шт.

99

2046491

* O-RING

5шт.

123

M340830

* BOLT;SOCKET

10шт.

140

9201529

* PLUG

1шт.

140A

2046654

** PLUG

1шт.

140B

4509180

** O-RING

1шт.

Выбрано товаров: 21