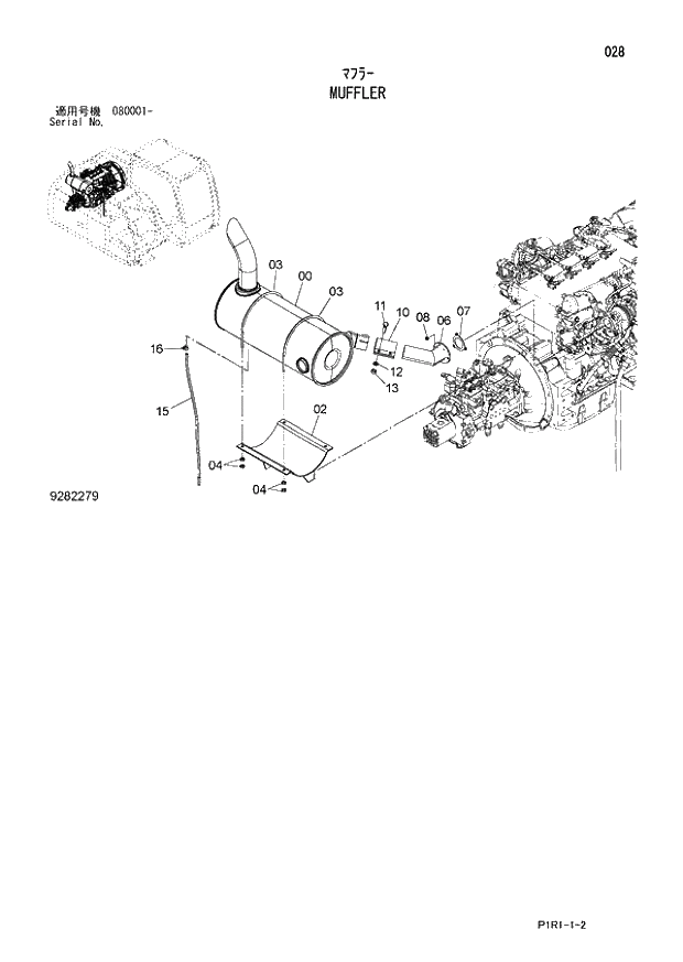
Запчасти Hitachi ZX120-3 028_MUFFLER (080001 -). 01 UPPERSTRUCTURE

Схема запчастей Hitachi ZX120-3 - 028_MUFFLER (080001 -). 01 UPPERSTRUCTURE
FIT
1:1
100%

Артикул

Название

Примечание

Количество

0

4653633

MUFFLER

1шт.

2

7037152

BRACKET

1шт.

3

4427493

BOLT;U

2шт.

4

J950010

NUT

8шт.

6

8105192

PIPE;EXHAUST

1шт.

7

4263386

GASKET

1шт.

8

4252898

NUT;U

3шт.

10

4213017

CLAMP

1шт.

11

J901240

BOLT

2шт.

12

A590912

WASHER;SPRING

2шт.

13

M520012

NUT

2шт.

15

4276831

TUBE

1шт.

16

4396451

CLAMP;HOSE

1шт.

Выбрано товаров: 13