Запчасти Hitachi ZX120 178_SUSPENSION SEAT (VINYL) (060001-). 01 UPPERSTRUCTURE

Схема запчастей Hitachi ZX120 - 178_SUSPENSION SEAT (VINYL) (060001-). 01 UPPERSTRUCTURE
FIT
1:1
100%

Артикул

Название

Примечание

Количество

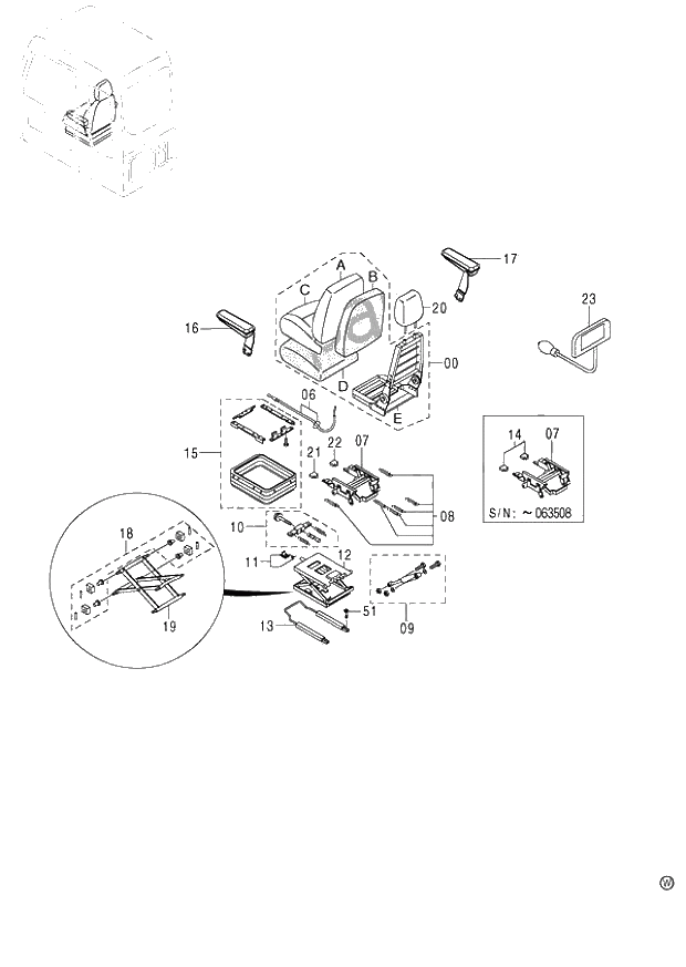
00-23

4454407

SEAT ASS'Y

1шт.

0

4456409

* SEAT

1шт.

00A

4456410

** COVER;BACK

1шт.

00B

4392796

** PAD;BACK

1шт.

00C

4456411

** COVER;SEAT

1шт.

00D

4392798

** PAD;SEAT

1шт.

00E

4392799

** FRAME;SEAT

1шт.

6

4392800

* CABLE

1шт.

7

4392801

* STAND

1шт.

8

4392802

* SPRING

1шт.

9

4392803

* DAMPER

1шт.

10

4392804

* ADJUSTER

1шт.

11

4392805

* STOPPER

1шт.

12

4392806

* SASPENSION

1шт.

13

4392807

* SLIDER

1шт.

14

4392808

* HANDLE

I -63508

1шт.

Выбрано товаров: 16