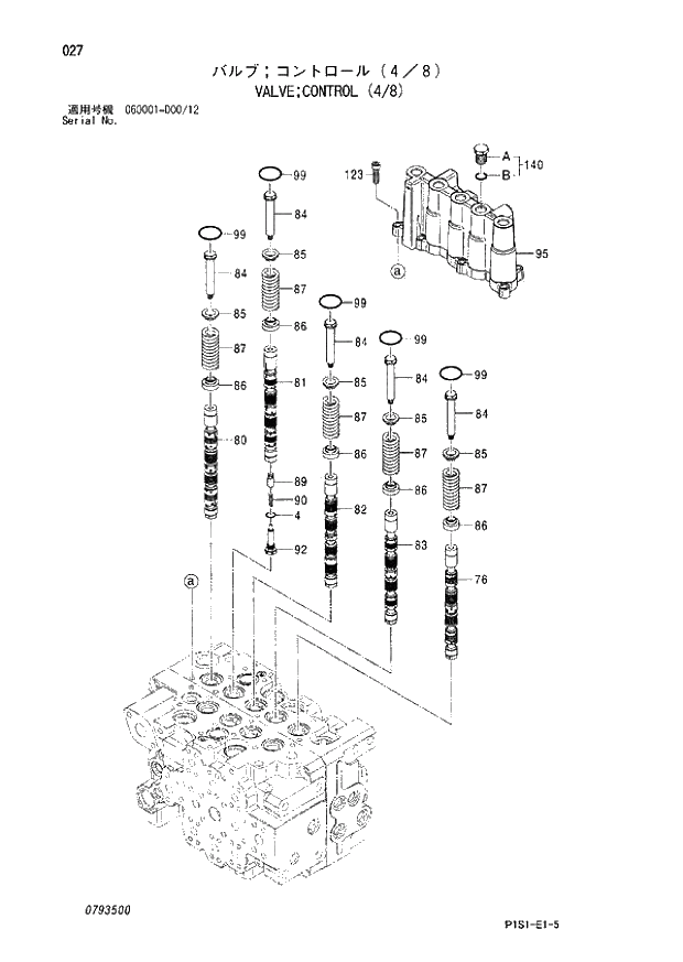
Запчасти Hitachi ZX120 027_VALVE;CONTROL (4_8) (060001 - D00_12). 03 VALVE

Схема запчастей Hitachi ZX120 - 027_VALVE;CONTROL (4_8) (060001 - D00_12). 03 VALVE
FIT
1:1
100%

Артикул

Название

Примечание

Количество

4410248

VALVE;CONTROL

1шт.

4

4506320

* O-RING

1шт.

76

+++++++

* SPOOL

1шт.

80

+++++++

* SPOOL

1шт.

81

+++++++

* SPOOL

1шт.

82

+++++++

* SPOOL

1шт.

83

+++++++

* SPOOL

1шт.

84

670002

* BOLT

5шт.

85

670003

* SEAT;SPRING

5шт.

86

670004

* SEAT;SPRING

5шт.

87

793501

* SPRING

5шт.

89

412015

* VALVE

1шт.

90

412016

* SPRING

1шт.

92

670001

* PLUG

1шт.

95

793502

* HOUSING

1шт.

99

669906

* O-RING

5шт.

123

411804

* BOLT;SOCKET

10шт.

140

4385798

* PLUG

1шт.

140A

309466

** PLUG

1шт.

140B

4509180

** O-RING

1шт.

Выбрано товаров: 0