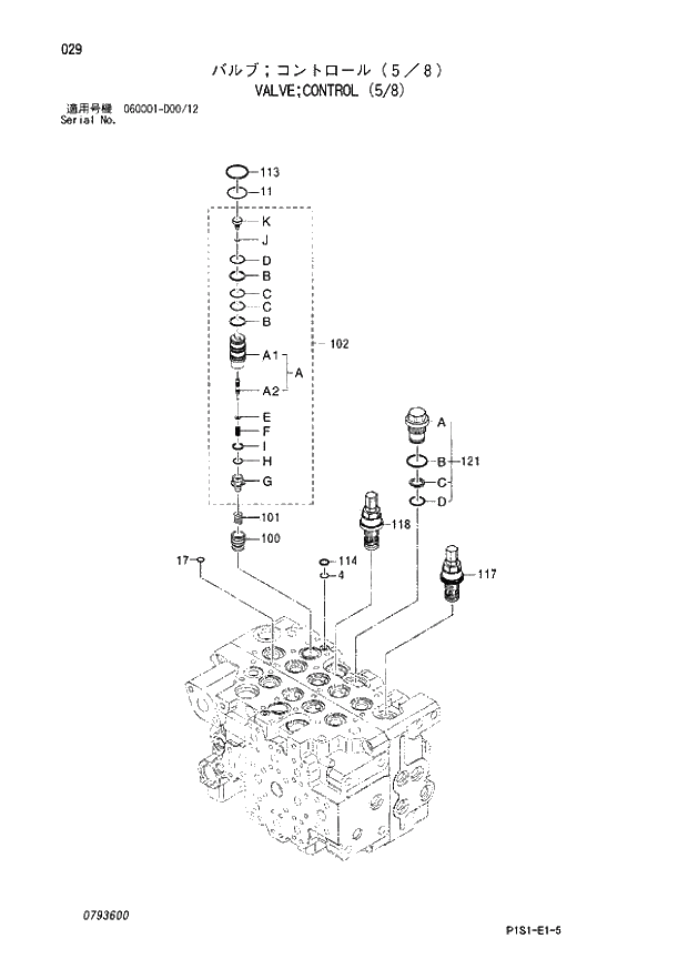
Запчасти Hitachi ZX120 029_VALVE;CONTROL (5_8) (060001 - D00_12). 03 VALVE

Схема запчастей Hitachi ZX120 - 029_VALVE;CONTROL (5_8) (060001 - D00_12). 03 VALVE
FIT
1:1
100%

Артикул

Название

Примечание

Количество

4410248

VALVE;CONTROL

1шт.

4

4506320

* O-RING

1шт.

11

309402

* O-RING

1шт.

17

4506408

* O-RING

1шт.

100

793601

* VALVE;HOLDING

1шт.

101

412212

* SPRING

1шт.

102

4455788

* BODY

1шт.

102A

793602

** BODY ASS'Y

1шт.

102A1

+++++++

*** BODY

1шт.

102A2

+++++++

*** SPOOL

1шт.

102B

670104

** RING;BACK-UP

2шт.

102C

4509181

** O-RING

2шт.

102D

4506420

** O-RING

1шт.

102E

670105

** WASHER

1шт.

102F

793603

** SPRING

1шт.

102G

670107

** PLUG

1шт.

102H

4509180

** O-RING

1шт.

102I

4297661

** RING;BACK-UP

1шт.

102J

4506405

** O-RING

1шт.

102K

793604

** STOPPER

1шт.

113

793605

* RING;BACK-UP

1шт.

114

793606

* RING;BACK-UP

1шт.

117

4372682

* VALVE;RELIEF

1шт.

118

4372684

* VALVE;RELIEF

1шт.

121

309461

* PLUG ASS'Y

1шт.

121A

412209

** PLUG

1шт.

121B

4506428

** O-RING

1шт.

121C

412003

** RING;BACK-UP

1шт.

121D

4506420

** O-RING

1шт.

Выбрано товаров: 0