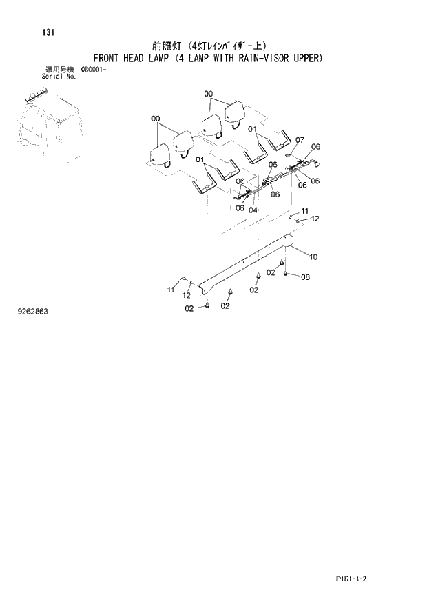
Запчасти Hitachi ZX130-3 131_FRONT HEAD LAMP (4 LAMP WITH RAIN-VISOR UPPER) (080001 -). 01 UPPERSTRUCTURE

Схема запчастей Hitachi ZX130-3 - 131_FRONT HEAD LAMP (4 LAMP WITH RAIN-VISOR UPPER) (080001 -). 01 UPPERSTRUCTURE
FIT
1:1
100%

Артикул

Название

Примечание

Количество

0

4274478

LAMP;HEAD

4шт.

00A

4285646

* LENS

1шт.

00B

4285647

* RIM

1шт.

00C

4285648

* BULB

1шт.

00D

4288342

* GASKET

1шт.

00E

J900616

* BOLT

2шт.

1

8104656

BRACKET

4шт.

2

J271230

BOLT;SEMS

4шт.

02A

J901230

* BOLT

1шт.

02B

J222012

* WASHER

1шт.

4

4652915

HARNESS;WIRE

1шт.

6

4259220

CLIP

8шт.

7

4257159

BRACKET

1шт.

8

J271025

BOLT;SEMS

1шт.

08A

J901025

* BOLT

1шт.

08B

J222010

* WASHER

1шт.

10

7050519

BRACKET

1шт.

11

J781225

BOLT;SOCKET

2шт.

12

A590112

WASHER;PLANE

2шт.

Выбрано товаров: 19