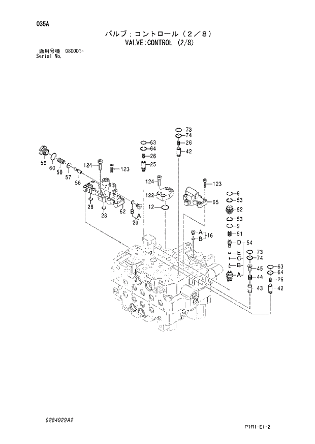
Запчасти Hitachi ZX130-3 035_VALVE;CONTROL (2_8) (080001 -). 03 VALVE

Схема запчастей Hitachi ZX130-3 - 035_VALVE;CONTROL (2_8) (080001 -). 03 VALVE
FIT
1:1
100%

Артикул

Название

Примечание

Количество

9284929

VALVE;CONTROL (2/8)

I

1шт.

-9285787

VALVE;CONTROL (2/8)

1шт.

9

985099

* O-RING

2шт.

12

4314064

* O-RING

1шт.

16

9134109

* PLUG

1шт.

16A

4336165

** PLUG

1шт.

16B

4506408

** O-RING

1шт.

20

9134110

* PLUG

1шт.

20A

4336166

** PLUG

1шт.

20B

957366

** O-RING

1шт.

25

2046605

* VALVE;THROTTLE

1шт.

26

2046415

* SPRING

5шт.

28

4506412

* O-RING

2шт.

42

2046395

* VALVE;CHECK

4шт.

43

2046398

* VALVE;CHECK

2шт.

44

2046424

* SPRING

2шт.

45

2046412

* SEAT;SPRING

2шт.

51

2046423

* SPRING

1шт.

52

2046405

* BUSHING

1шт.

53

2046501

* RING;BACK-UP

2шт.

54

9200481

* SEAT;VALVE ASS'Y

1шт.

54A

1029246

** SEAT;VALVE

1шт.

54B

2046394

** VALVE;CHECK

1шт.

54C

2046420

** SPRING

1шт.

54D

2046453

** PLUG

1шт.

54E

4506408

** O-RING

1шт.

56

2046381

* SPOOL

1шт.

57

2046482

* WASHER

1шт.

58

2046425

* SPRING

1шт.

59

2046447

* PLUG

1шт.

60

4506424

* O-RING

1шт.

62

4163

* PLATE

1шт.

63

2046490

* O-RING

4шт.

64

2046502

* RING;BACK-UP

4шт.

65

2054358

* PLATE

1шт.

73

4670242

* O-RING

3шт.

74

4670243

* RING;BACK-UP

3шт.

122

2046512

* PLATE

1шт.

123

M340830

* BOLT;SOCKET

11шт.

124

M341036

* BOLT;SOCKET

10шт.

Выбрано товаров: 40