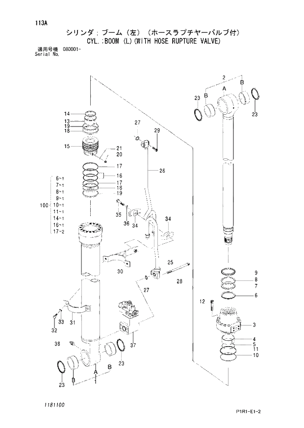
Запчасти Hitachi ZX130-3 113_CYL.;BOOM (L)(WITH HOSE RUPTURE VALVE) (080001 -). 05 CYLINDER

Схема запчастей Hitachi ZX130-3 - 113_CYL.;BOOM (L)(WITH HOSE RUPTURE VALVE) (080001 -). 05 CYLINDER
FIT
1:1
100%

Артикул

Название

Примечание

Количество

4682801

CYL.;BOOM (L)

1шт.

1

1137301

* TUBE;CYL. ASS'Y

1шт.

1A

+++++++

** TUBE;CYL.

1шт.

1B

4352638

** BUSHING;PIN

2шт.

2

1137102

* ROD;PISTON ASS'Y

1шт.

2A

+++++++

** ROD;PISTON

1шт.

2B

4352400

** BUSHING;PIN

2шт.

3

789305

* HEAD;CYL.

1шт.

4

310304

* BUSHING

1шт.

5

271304

* RING;RETAINING

1шт.

6

789310

* RING

1шт.

7

789311

* PACKING;U-RING

1шт.

8

271310

* RING;BACK-UP

1шт.

9

666806

* RING;WIPER

1шт.

10

A811100

* O-RING

1шт.

11

310506

* RING;BACK-UP

1шт.

12

M341465

* BOLT;SOCKET

12шт.

13

408806

* BRG.;CUSHION

1шт.

14

666807

* SEAL

1шт.

15

1137105

* PISTON

1шт.

16

310508

* RING;SEAL

1шт.

17

408809

* RING;BACK-UP

2шт.

18

907801

* RING;SLIDE

2шт.

19

310510

* RING;SLIDE

2шт.

20

310612

* SCREW;SET

1шт.

21

111818

* BALL

1шт.

23

4084578

* SEAL;DUST

4шт.

25

4663856

* PIPE

1шт.

26

4680350

* PIPE

1шт.

27

4509181

* O-RING

2шт.

28

4486911

* BOLT;SOCKET

4шт.

29

M340825

* BOLT;SOCKET

4шт.

30-36

666811

* KIT;BAND

1шт.

30

408814

** BAND

1шт.

31

310707

** BAND

1шт.

32

J901035

** BOLT

2шт.

33

A590910

** WASHER

2шт.

34

310312

** HOLDER

2шт.

35

224115

** BOLT

1шт.

36

208516

** WASHER;SPRING

1шт.

37

4690844

* VALVE;HOLDING

Y -80760

1шт.

37

4696363

* VALVE;HOLDING

080761 -

1шт.

38

J75481

* FITTING;GREASE

1шт.

100

4662895

KIT;SEAL

1шт.

Выбрано товаров: 44