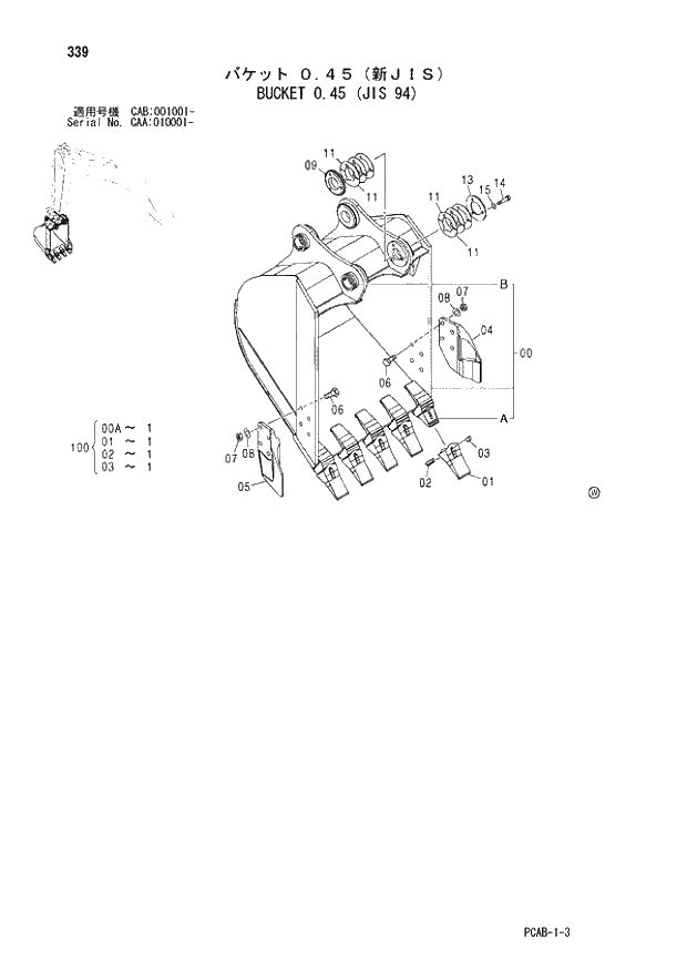
Запчасти Hitachi ZX130W 339 BUCKET 0.45 (JIS 94) (CAA 010001 - CAB 001001 -). 03 FRONT-END ATTACHMENTS(MONO-BOOM)

Схема запчастей Hitachi ZX130W - 339 BUCKET 0.45 (JIS 94) (CAA 010001 - CAB 001001 -). 03 FRONT-END ATTACHMENTS(MONO-BOOM)
FIT
1:1
100%

Артикул

Название

Примечание

Количество

9202104

BUCKET ASS'Y

1шт.

0

8084354

* BUCKET

1шт.

00A

4425500

** ADAPTER;TOOTH

5шт.

00B

4454562

** STOPPER

2шт.

1

963228

* POINT;TOOTH

5шт.

2

963229

* PIN;LOCK

5шт.

3

963227

* RUBBER;LOCK

5шт.

4

2015428

* CUTTER;SIDE

1шт.

5

2015429

* CUTTER;SIDE

1шт.

6

J932060

* BOLT

8шт.

7

J951020

* NUT

8шт.

8

A590920

* WASHER;SPRING

8шт.

9

4445244

* BOSS

1шт.

11

4276386

* SHIM 1.0

12шт.

13

4276385

* PLATE

1шт.

14

J901275

* BOLT

3шт.

15

A590912

* WASHER;SPRING

3шт.

100

9200912

KIT;POINT

5шт.

Выбрано товаров: 18