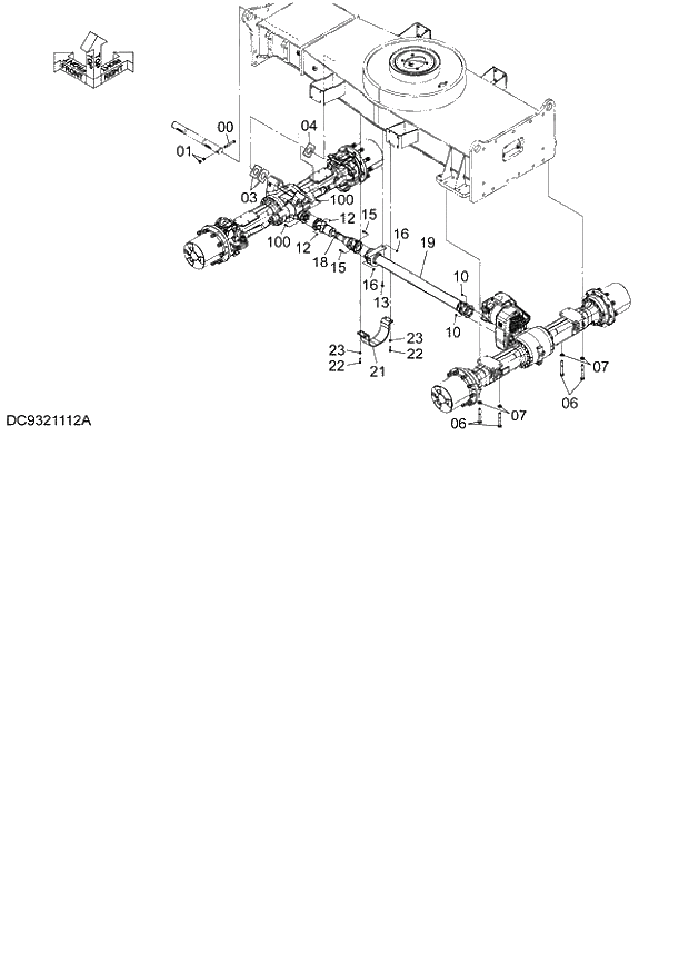
Запчасти Hitachi ZX140W-3 213 POWER TRAIN ( CEB CED 005001-, CEA 050001-). 02 UNDERCARRIAGE

Схема запчастей Hitachi ZX140W-3 - 213 POWER TRAIN ( CEB CED 005001-, CEA 050001-). 02 UNDERCARRIAGE
FIT
1:1
100%

Артикул

Название

Примечание

Количество

0

4435123

PIN;STOPPER

1шт.

1

J950016

NUT

2шт.

3

4444839

PLATE;THRUST

2шт.

4

4444840

PLATE;THRUST

1шт.

6

J932010

BOLT

8шт.

7

4018545

WASHER

8шт.

10

4600531

NUT

8шт.

12

4600531

NUT

8шт.

13

J271040

BOLT;SEMS

2шт.

13A

J901040

* BOLT

1шт.

13B

J222010

* WASHER

1шт.

15

J781040

BOLT;SOCKET

4шт.

16

J950010

NUT

4шт.

18

4651941

SHAFT;PROP.

1шт.

19

4651947

SHAFT;PROP.

1шт.

21

3121488

COVER

1шт.

22

J921245

BOLT

4шт.

23

J222012

WASHER

4шт.

100

4602951

BOLT

8шт.

Выбрано товаров: 19