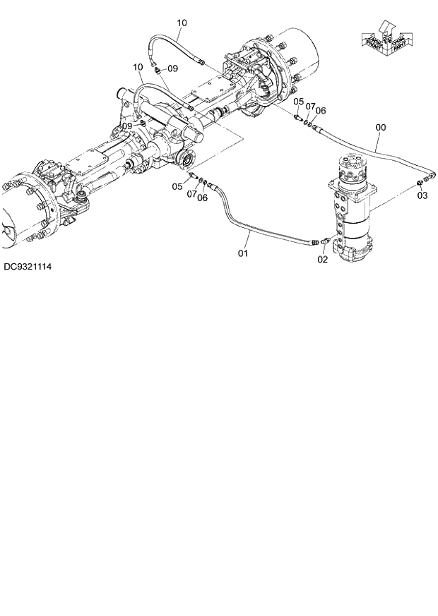
Запчасти Hitachi ZX140W-3 230 STEERING PIPING (CARRIER) ( CEB CED 005001-, CEA 050001-). 02 UNDERCARRIAGE

Схема запчастей Hitachi ZX140W-3 - 230 STEERING PIPING (CARRIER) ( CEB CED 005001-, CEA 050001-). 02 UNDERCARRIAGE
FIT
1:1
100%

Артикул

Название

Примечание

Количество

0

YA60011685

ASSY;HOSE

1шт.

00A

YA00016165

* HOSE

1шт.

00B

4327293

* TUBE;SPIRAL

2шт.

1

9225809

HOSE ASS'Y

1шт.

01A

4327293

* TUBE;SPIRAL

2шт.

01B

4604215

* HOSE

1шт.

2

A852333

ELBOW;S

1шт.

02A

4509180

* O-RING

1шт.

3

A852133

ADAPTER;S

1шт.

03A

4509180

* O-RING

1шт.

5

4202532

ADAPTER;S

2шт.

6

4202531

NUT

2шт.

7

A590114

WASHER;PLANE

2шт.

9

4489343

ADAPTER;S

2шт.

09A

4506416

* O-RING

1шт.

10

9277054

ASS'Y:HOSE

2шт.

10A

4669763

* HOSE

1шт.

10B

4327293

* TUBE;SPIRAL

1шт.

Выбрано товаров: 18