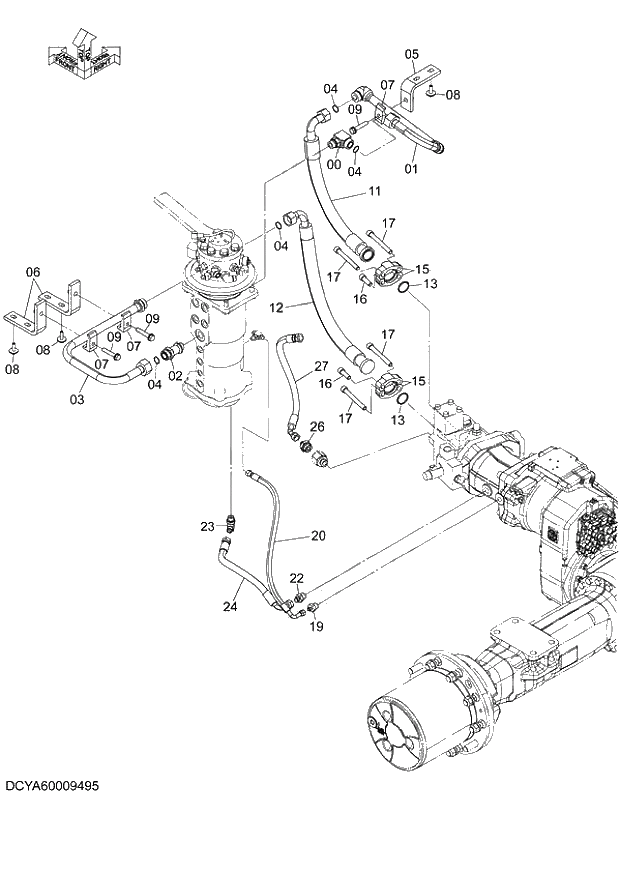
Запчасти Hitachi ZX140W-3 244 TRAVEL PIPING ( CEB CED 005001-, CEA 050001-). 02 UNDERCARRIAGE

Схема запчастей Hitachi ZX140W-3 - 244 TRAVEL PIPING ( CEB CED 005001-, CEA 050001-). 02 UNDERCARRIAGE
FIT
1:1
100%

Артикул

Название

Примечание

Количество

0

A853368

ELBOW;S

1шт.

00A

4506424

* O-RING

1шт.

1

YA40007552

PIPE

1шт.

2

4341132

ADAPTER;S

1шт.

02A

4506424

* O-RING

1шт.

3

8106622

PIPE

1шт.

4

4187328

O-RING

4шт.

5

YA40004511

BRACKET

1шт.

6

8103961

BRACKET

2шт.

7

4190126

CLAMP;PIPE

3шт.

8

J281035

BOLT;SEMS

6шт.

08A

J901035

* BOLT

1шт.

08B

4486055

* WASHER

1шт.

9

J271270

BOLT;SEMS

3шт.

09A

J901270

* BOLT

1шт.

09B

J222012

* WASHER

1шт.

11

YA60004914

ASSY;HOSE

1шт.

11A

YA00004004

* HOSE

1шт.

11B

4327294

* TUBE;SPIRAL

1шт.

12

9271381

ASSY;HOSE

1шт.

12A

4659945

* HOSE

1шт.

12B

4327294

* TUBE;SPIRAL

1шт.

13

4508805

O-RING

2шт.

15

4089703

FLANGE;SPLIT

4шт.

16

J781445

BOLT;SOCKET

2шт.

17

J781406

BOLT;SOCKET

6шт.

19

4603159

ADAPTER;S

1шт.

19A

4506418

* O-RING

1шт.

20

9296103

ASSY;HOSE

1шт.

20A

4437737

* HOSE

1шт.

20B

4327293

* TUBE;SPIRAL

2шт.

22

A852144

ADAPTER;S

1шт.

22A

4506418

* O-RING

1шт.

23

A852344

ELBOW;S

1шт.

23A

4506418

* O-RING

1шт.

24

9265907

ASSY;HOSE

1шт.

24A

4420423

* HOSE

1шт.

24B

4327293

* TUBE;SPIRAL

1шт.

26

4279302

ADAPTER;S

1шт.

26A

4506424

* O-RING

1шт.

27

YA60015675

ASSY;HOSE

1шт.

27A

4651433

* HOSE

1шт.

27B

4327293

* TUBE;SPIRAL

1шт.

Выбрано товаров: 43