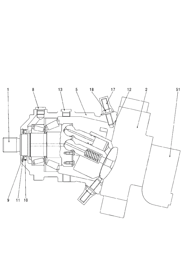
Запчасти Hitachi ZX140W-3 333 MOTOR PISTON ( CEB CED 002001-005000, CEA 020001-050000). 02 MOTOR

Схема запчастей Hitachi ZX140W-3 - 333 MOTOR PISTON ( CEB CED 002001-005000, CEA 020001-050000). 02 MOTOR
FIT
1:1
100%

Артикул

Название

Примечание

Количество

+++++++

MOTOR;PISTON

1шт.

1

1151400

* ROTORY GROUP

1шт.

2

+++++++

* CONTROL

1шт.

5

+++++++

* HOUSING

1шт.

8

1133702

* PLUG

1шт.

9

438612

* RING;RETAINING

1шт.

10

1133703

* SEAL;OIL

1шт.

11

1133704

* SHIM

1шт.

12

1133705

* O-RING

1шт.

13

1133702

* PLUG

1шт.

17

+++++++

* SCREW;ADJUSTING

2шт.

18

+++++++

* NUT

2шт.

51

4678167

* VALVE;BRAKE

1шт.

Выбрано товаров: 13