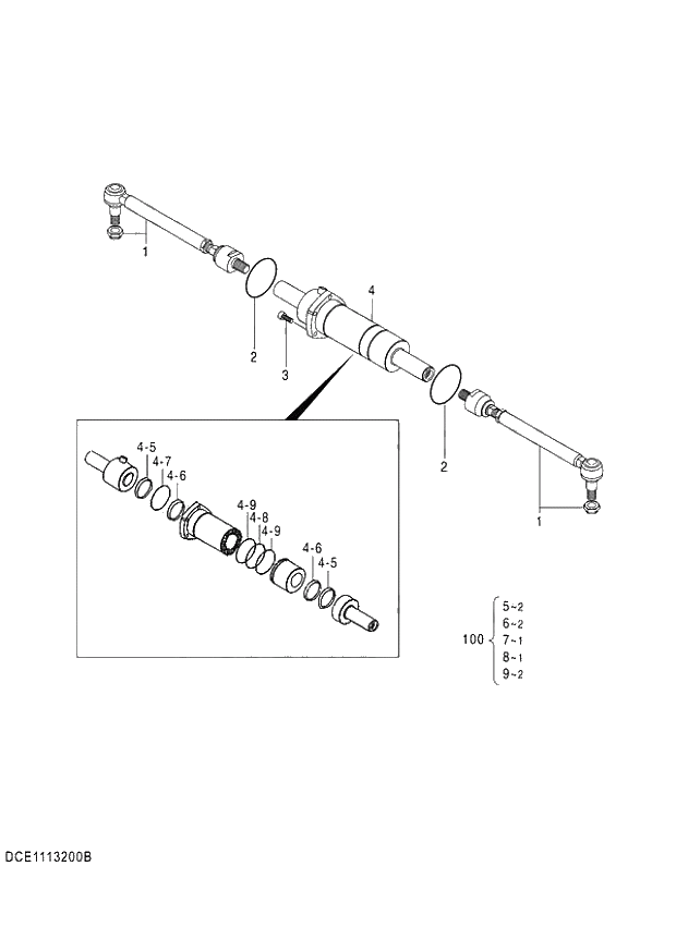
Запчасти Hitachi ZX140W-3 450 AXLE FRONT (5-5) ( CEB CED 002001-005000, CEA 020001-050000). 06 POWER TRAIN

Схема запчастей Hitachi ZX140W-3 - 450 AXLE FRONT (5-5) ( CEB CED 002001-005000, CEA 020001-050000). 06 POWER TRAIN
FIT
1:1
100%

Артикул

Название

Примечание

Количество

4654401

AXLE;FRONT (5/5)

1шт.

1

1113201

* BAR

2шт.

2

1113202

* O-RING

2шт.

3

1113203

* BOLT

5шт.

4

1113204

* CYLINDER

1шт.

04.05.12

+++++++

** ROD WIPER

2шт.

04.06.12

+++++++

** ROAD SEAL

2шт.

04.07.12

+++++++

** DUALRINC

1шт.

04.08.12

+++++++

** PISTON SEAL

1шт.

04.09.12

+++++++

** DUALRINC

2шт.

100

4722630

KIT;SEAL

1шт.

Выбрано товаров: 0