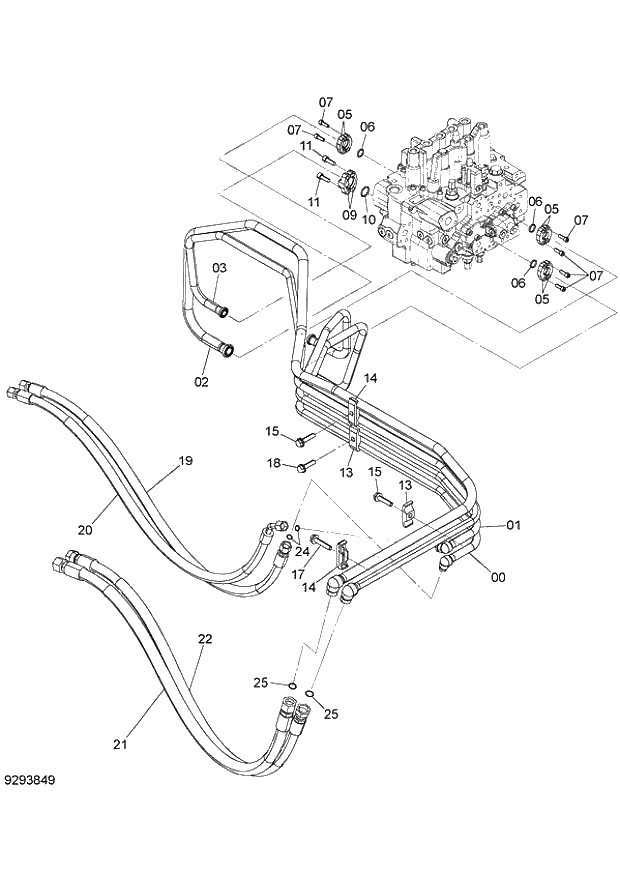
Запчасти Hitachi ZX140W-3 044 MAIN PIPING (2) ( CEB CED 002001-, CEA 020001-). 01 UPPERSTRUCTURE

Схема запчастей Hitachi ZX140W-3 - 044 MAIN PIPING (2) ( CEB CED 002001-, CEA 020001-). 01 UPPERSTRUCTURE
FIT
1:1
100%

Артикул

Название

Примечание

Количество

0

7050912

PIPE

1шт.

1

7050913

PIPE

1шт.

2

7050914

PIPE

I CEB:-002414;CED:-002468;CEA:-020547

1шт.

2

7055458

PIPE

CEB:002415-;CED:002469-;CEA:020548-

1шт.

3

7050915

PIPE

1шт.

5

4510173

FLANGE;SPLIT

6шт.

6

4510167

O-RING

3шт.

7

J780825

BOLT;SOCKET

12шт.

9

986910

FLANGE;SPLIT

2шт.

10

971489

O-RING

1шт.

11

J781030

BOLT;SOCKET

4шт.

13

4189858

CLAMP;PIPE

2шт.

14

4141806

CLAMP;PIPE

2шт.

15

J271255

BOLT;SEMS

2шт.

15A

J901255

* BOLT

1шт.

15B

J222012

* WASHER

1шт.

17

J271265

BOLT;SEMS

1шт.

17A

J901265

* BOLT

1шт.

17B

J222012

* WASHER

1шт.

18

J271250

BOLT;SEMS

1шт.

18A

J901250

* BOLT

1шт.

18B

J222012

* WASHER

1шт.

19

9265018

HOSE ASS'Y

1шт.

19A

4285804

* HOSE

1шт.

19B

4327294

* PROTECTOR

2шт.

20

9265021

HOSE ASS'Y

1шт.

20A

4300031

* HOSE

1шт.

20B

4327294

* PROTECTOR

2шт.

21

9265022

HOSE ASS'Y

1шт.

21A

4265833

* HOSE

1шт.

21B

4327294

* PROTECTOR

3шт.

22

9265344

HOSE ASS'Y

1шт.

22A

4656184

* HOSE

1шт.

22B

4327294

* PROTECTOR

3шт.

24

4138938

O-RING

2шт.

25

4187308

O-RING

2шт.

Выбрано товаров: 36