Запчасти Hitachi ZX140W-3 074 PILOT PIPING (C) (CEB CED 002001-, CEA 020001-). 01 UPPERSTRUCTURE

Схема запчастей Hitachi ZX140W-3 - 074 PILOT PIPING (C) (CEB CED 002001-, CEA 020001-). 01 UPPERSTRUCTURE
FIT
1:1
100%

Артикул

Название

Примечание

Количество

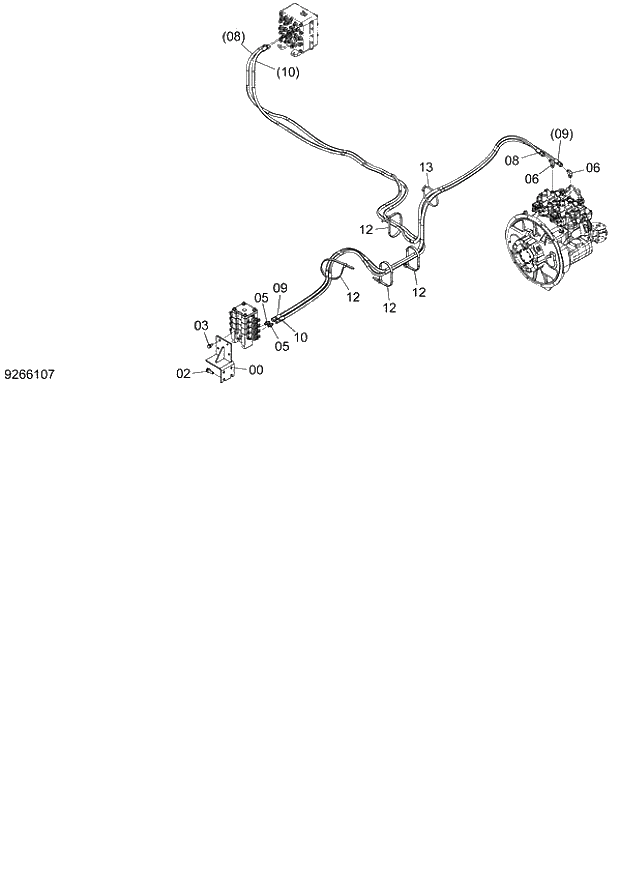
0

8105771

BRACKET

1шт.

2

J271240

BOLT;SEMS

4шт.

02A

J901240

* BOLT

1шт.

02B

J222012

* WASHER

1шт.

3

J271025

BOLT;SEMS

4шт.

03A

J901025

* BOLT

1шт.

03B

J222010

* WASHER

1шт.

5

A852123

ADAPTER;S

2шт.

05A

957366

* O-RING

1шт.

6

A852323

ELBOW;S

2шт.

06A

957366

* O-RING

1шт.

8

9266156

HOSE ASS'Y

1шт.

08A

4657563

* HOSE (SA)

1шт.

08B

4327293

* TUBE;SPIRAL

1шт.

9

9266157

HOSE ASS'Y

1шт.

09A

4657564

* HOSE (S1)

1шт.

09B

4327293

* TUBE;SPIRAL

1шт.

10

4657565

HOSE (SB)

1шт.

12

4303967

CLIP;BAND

4шт.

13

4323613

CLIP;BAND

CEB:-002081;CED:-002062;CEA:-020031

1шт.

Выбрано товаров: 20