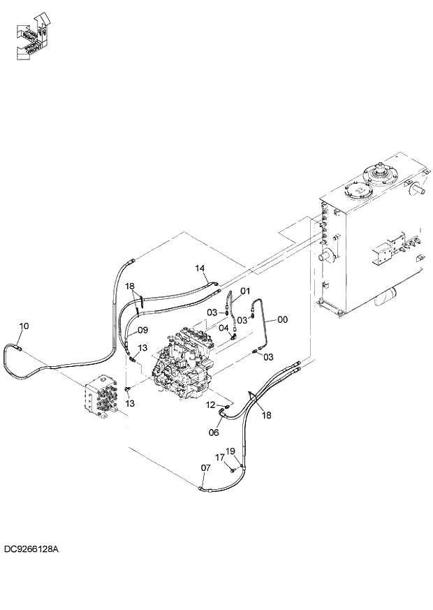
Запчасти Hitachi ZX140W-3 083 PILOT PIPING (J) ( CEB CED 002001-, CEA 020001-). 01 UPPERSTRUCTURE

Схема запчастей Hitachi ZX140W-3 - 083 PILOT PIPING (J) ( CEB CED 002001-, CEA 020001-). 01 UPPERSTRUCTURE
FIT
1:1
100%

Артикул

Название

Примечание

Количество

0

4655523

PIPE

1шт.

1

4655506

PIPE

1шт.

3

4255304

FITTING;PIPE

3шт.

03A

957366

* O-RING

1шт.

4

4293950

ELBOW;S

1шт.

04A

957366

* O-RING

1шт.

6

9266218

ASSY;HOSE

1шт.

06A

4657628

* HOSE

1шт.

06B

4327293

* TUBE;SPIRAL

2шт.

7

9266219

ASSY;HOSE

1шт.

07A

4657629

* HOSE

1шт.

07B

4327293

* TUBE;SPIRAL

2шт.

9

9266221

ASSY;HOSE

1шт.

09A

4657631

* HOSE

1шт.

09B

4327293

* TUBE;SPIRAL

2шт.

10

9266222

ASSY;HOSE

1шт.

10A

4657632

* HOSE

1шт.

10B

4327293

* TUBE;SPIRAL

3шт.

12

A852123

ADAPTER;S

1шт.

12A

957366

* O-RING

1шт.

13

A852322

ELBOW;S

2шт.

13A

957366

* O-RING

1шт.

14

9284071

ASSY;HOSE

1шт.

14A

4677086

* HOSE

1шт.

14B

4327293

* TUBE;SPIRAL

1шт.

17

J271025

BOLT;SEMS

1шт.

17A

J901025

* BOLT

1шт.

17B

J222010

* WASHER

1шт.

18

4055312

CLIP;BAND

3шт.

19

4190273

CLIP

1шт.

Выбрано товаров: 30