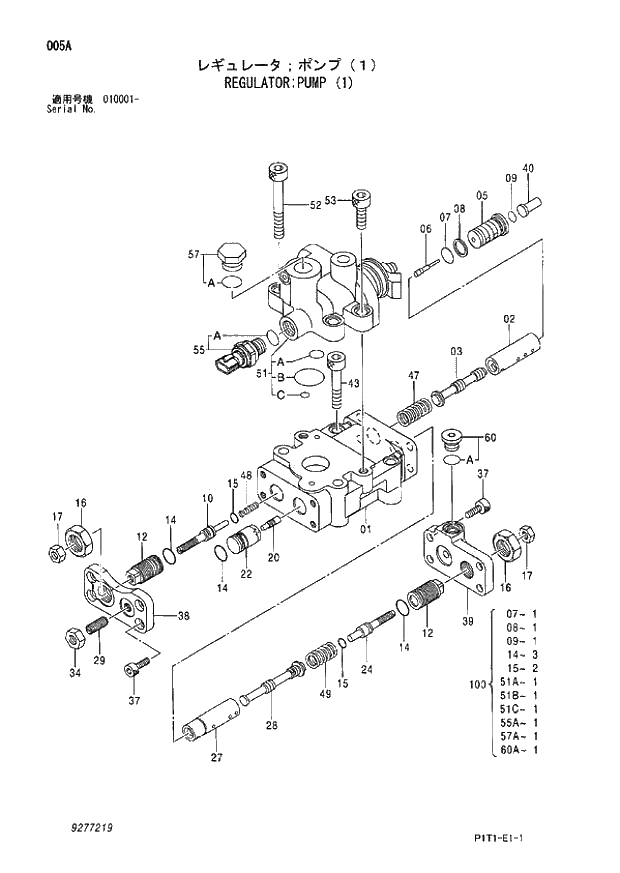
Запчасти Hitachi ZX160LC-3 005_REGULATOR;PUMP (1) (010001 -). 01 PUMP

Схема запчастей Hitachi ZX160LC-3 - 005_REGULATOR;PUMP (1) (010001 -). 01 PUMP
FIT
1:1
100%

Артикул

Название

Примечание

Количество

+++++++

REGULATOR;PUMP (1)

I

1шт.

-9276814

REGULATOR;PUMP (1)

1шт.

1

1033351

* CASING

1шт.

2

4179155

* SLEEVE

1шт.

3

4179156

* SPOOL

1шт.

5

4375722

* CYL.;LOAD

1шт.

6

4360590

* PISTON

1шт.

7

4150302

* O-RING

1шт.

8

4085607

* RING;BACK-UP

1шт.

9

4297380

* O-RING

1шт.

10

4179162

* STOPPER

1шт.

12

4179161

* STOPPER

2шт.

14

4342843

* O-RING

3шт.

15

4342841

* O-RING

2шт.

16

4068898

* NUT

2шт.

17

M500807

* NUT

2шт.

20

4179171

* PISTON

1шт.

22

4451498

* CYL.

1шт.

24

4347107

* STOPPER;INNER

1шт.

27

4346522

* SLEEVE

1шт.

28

4346521

* SPOOL

1шт.

29

4265964

* SCREW;SET

1шт.

34

J950010

* NUT

1шт.

37

M340820

* BOLT;SOCKET

8шт.

38

4433327

* COVER

1шт.

39

3103629

* COVER;REAR

1шт.

40

4611012

* PISTON

1шт.

43

M341056

* BOLT;SOCKET

2шт.

47

4616531

* SPRING;COMPRES.

1шт.

48

4616533

* SPRING;COMPRES.

1шт.

49

4350928

* SPRING;COMPRES.

1шт.

51

9275951

* VALVE;SOLENOID

1шт.

51A

4150302

** O-RING

1шт.

51B

4153534

** O-RING

1шт.

51C

4153087

** O-RING

1шт.

52

M341080

* BOLT;SOCKET

2шт.

53

M341030

* BOLT;SOCKET

2шт.

55

4436536

* SENSOR;PRES.

1шт.

55A

4153095

** O-RING

1шт.

57

4174541

* PLUG

1шт.

57A

4506418

** O-RING

1шт.

60

9134110

* PLUG

1шт.

60A

957366

** O-RING

1шт.

100

4455733

KIT;SEAL

1шт.

Выбрано товаров: 44