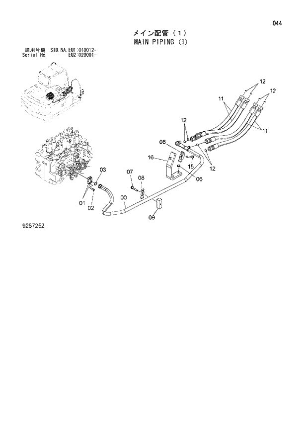
Запчасти Hitachi ZX160LC-3 044_MAIN PIPING (1) (EU1 010012 -; EU2 020001 -; NA - NA; STD - STD). 01 UPPERSTRUCTURE

Схема запчастей Hitachi ZX160LC-3 - 044_MAIN PIPING (1) (EU1 010012 -; EU2 020001 -; NA - NA; STD - STD). 01 UPPERSTRUCTURE
FIT
1:1
100%

Артикул

Название

Примечание

Количество

0

8103793

PIPE

1шт.

1

986910

FLANGE;SPLIT

2шт.

2

J781030

BOLT;SOCKET

4шт.

3

971489

O-RING

1шт.

6

J271230

BOLT;SEMS

2шт.

06A

J901230

* BOLT

1шт.

06B

J222012

* WASHER

1шт.

7

J271270

BOLT;SEMS

1шт.

07A

J901270

* BOLT

1шт.

07B

J222012

* WASHER

1шт.

8

4153488

CLAMP;PIPE

2шт.

9

4209157

SEAT;SCREW

1шт.

11

4260310

HOSE

4шт.

12

4187308

O-RING

8шт.

15

J271285

BOLT;SEMS

1шт.

15A

J901285

* BOLT

1шт.

15B

J222012

* WASHER

1шт.

16

9768510

BRACKET

1шт.

Выбрано товаров: 18