Качественные детали и логистика
Оригинальные и аналоговые запчасти с доставкой по России, Казахстану и Беларуси
©2022 PartSell ООО "Система" ИНН 2463123282 ОГРН 1212400004838
Центральный офис: г. Красноярск, Академика Киренского, д.87, пом.4
Телефон: 8 (800) 777-65-74 Email: zakaz@partsell.ru
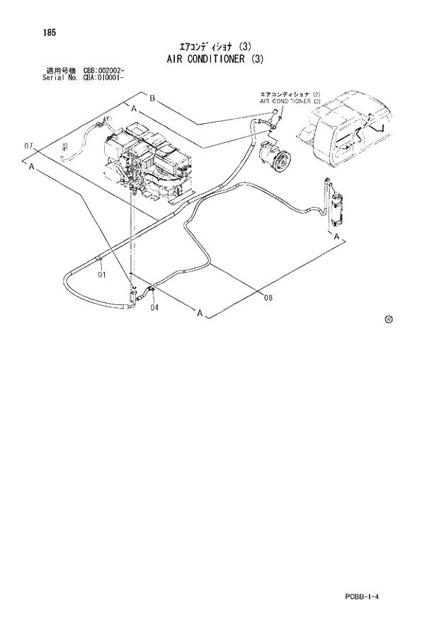
185 AIR CONDITIONER (3).
№
Артикул
Название
Примечание
Количество
1
4190277
CLIP
1шт.
4
4190273
7
4466439
HOSE;COOLER
07A
4350206
* O-RING
2шт.
07B
4475235
* CAP
8
4459461
08A
4350187
Выбрано товаров: 0