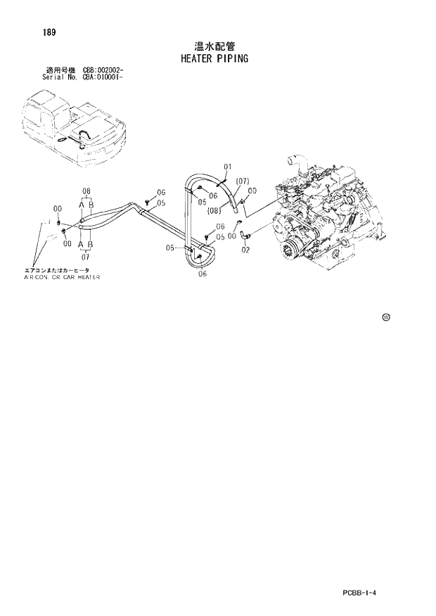
Запчасти Hitachi ZX160W 189 HEATER PIPING. 01 UPPERSTRUCTURE

Схема запчастей Hitachi ZX160W - 189 HEATER PIPING. 01 UPPERSTRUCTURE
FIT
1:1
100%

Артикул

Название

Примечание

Количество

0

4514699

CLAMP;HOSE

4шт.

1

4055312

CLIP;BAND

1шт.

2

9745899

JOINT;PIPE

1шт.

5

4192034

CLIP

4шт.

6

J011020

BOLT;SEMS

0

4шт.

6

J271020

BOLT;SEMS

T D03/05 -

4шт.

@111

7

9208960

HOSE;WATER

1шт.

07A

4369308

* HOSE;WATER

1шт.

07B

4320661

* PROTECTOR

2шт.

8

9208961

HOSE;WATER

1шт.

08A

4427997

* HOSE;WATER

1шт.

08B

4320661

* PROTECTOR

2шт.

Выбрано товаров: 13