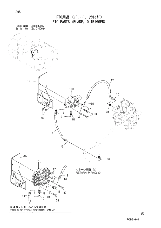
Запчасти Hitachi ZX160W 395 PTO PARTS (BLADE, OUTRIGGER). 04 BLADE PARTS

Схема запчастей Hitachi ZX160W - 395 PTO PARTS (BLADE, OUTRIGGER). 04 BLADE PARTS
FIT
1:1
100%

Артикул

Название

Примечание

Количество

1

J031030

BOLT;SEMS

0

4шт.

1

J281025

BOLT;SEMS

T D03/05 -

4шт.

@111

3

J921280

BOLT

3шт.

4

A590912

WASHER;SPRING

3шт.

6

A853364

ELBOW;S

1шт.

06A

4506424

* O-RING

1шт.

7

A853344

ELBOW;S

2шт.

07A

4506418

* O-RING

1шт.

8

4198407

ADAPTER;S

1шт.

08A

4509180

* O-RING

1шт.

10

4138938

O-RING

4шт.

12

4250065

HOSE

1шт.

14

4428609

HOSE

1шт.

16

8091785

BRACKET

1шт.

17

A885004

PLUG

3шт.

17A

4506418

* O-RING

1шт.

18

4202112

ELBOW;S

1шт.

18A

4509180

* O-RING

1шт.

19

A853344

ELBOW;S

1шт.

19A

4506418

* O-RING

1шт.

100

4467405

VALVE;CONTROL

1шт.

101

4603261

VALVE;CONTROL

1шт.

Выбрано товаров: 23