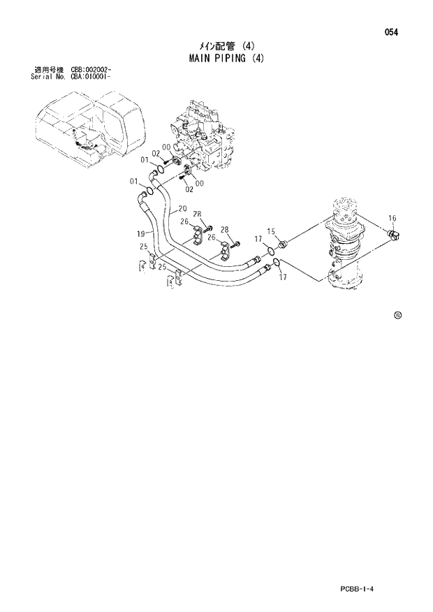
Запчасти Hitachi ZX160W 054 MAIN PIPING (4). 01 UPPERSTRUCTURE

Схема запчастей Hitachi ZX160W - 054 MAIN PIPING (4). 01 UPPERSTRUCTURE
FIT
1:1
100%

Артикул

Название

Примечание

Количество

0

986910

FLANGE;SPLIT

4шт.

1

971489

O-RING

2шт.

2

J781030

BOLT;SOCKET

8шт.

15

A853186

ADAPTER;S

1шт.

15A

4506429

* O-RING

1шт.

16

A853386

ELBOW;S

1шт.

16A

4506429

* O-RING

1шт.

17

4187308

O-RING

2шт.

19

4236718

HOSE

1шт.

20

4480292

HOSE

1шт.

25

3072291

RUBBER

2шт.

26

8062021

CLAMP

2шт.

28

J011275

BOLT;SEMS

0

2шт.

28

J271275

BOLT;SEMS

T D03/05 -

2шт.

@111

Выбрано товаров: 15