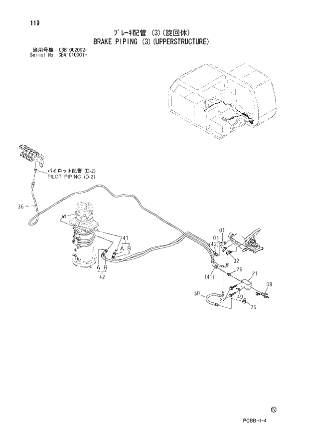
Запчасти Hitachi ZX160W 119 BRAKE PIPING (3)(UPPERSTRUCTURE). 01 UPPERSTRUCTURE

Схема запчастей Hitachi ZX160W - 119 BRAKE PIPING (3)(UPPERSTRUCTURE). 01 UPPERSTRUCTURE
FIT
1:1
100%

Артикул

Название

Примечание

Количество

1

A852333

ELBOW;S

2шт.

01A

4509180

* O-RING

1шт.

2

A852332

ELBOW;S

1шт.

02A

4509180

* O-RING

1шт.

8

4459497

SWITCH;PRES.

1шт.

21

4475647

MANIFOLD;BLOCK

1шт.

22

J011065

BOLT;SEMS

0

2шт.

22

J271065

BOLT;SEMS

T D03/05 -

2шт.

@111

25

A852333

ELBOW;S

1шт.

25A

4509180

* O-RING

1шт.

26

A852133

ADAPTER;S

1шт.

26A

4509180

* O-RING

1шт.

36

4484587

HOSE (SG)

1шт.

41

9223182

HOSE ASS'Y

1шт.

41A

4488774

* HOSE (BA)

1шт.

41B

4327293

* PROTECTOR

2шт.

42

9223183

HOSE ASS'Y

1шт.

42A

4488775

* HOSE (BB)

1шт.

42B

4327293

* PROTECTOR

2шт.

49

4257159

BRACKET

1шт.

50

4315330

HOSE

1шт.

Выбрано товаров: 22