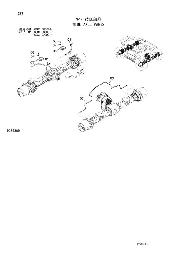
Запчасти Hitachi ZX170W-3 287 WIDE AXLE PARTS (CGA 020001 - CGB 003001 - CGD 003001 -). 02 UNDERCARRIAGE

Схема запчастей Hitachi ZX170W-3 - 287 WIDE AXLE PARTS (CGA 020001 - CGB 003001 - CGD 003001 -). 02 UNDERCARRIAGE
FIT
1:1
100%

Артикул

Название

Примечание

Количество

1

4679617

HOSE

2шт.

2

2054848

PIPE

1шт.

2

2058319

PIPE

1шт.

3

2054849

PIPE

1шт.

3

2058320

PIPE

1шт.

5

9765786

SPACER

2шт.

6

J901640

BOLT

8шт.

7

A590116

WASHER;PLANE

8шт.

Выбрано товаров: 0