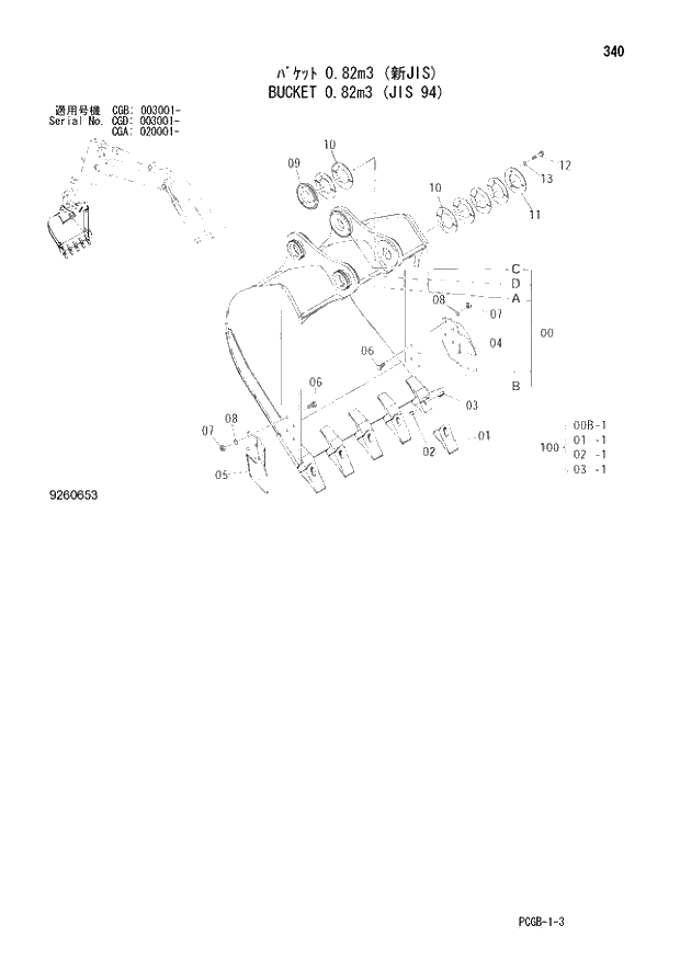
Запчасти Hitachi ZX170W-3 340 BUCKET 0.82m3 (JIS 94) (CGA 020001 - CGB 003001 - CGD 003001 -). 03 FRONT-END ATTACHMENTS(MONO-BOOM)

Схема запчастей Hitachi ZX170W-3 - 340 BUCKET 0.82m3 (JIS 94) (CGA 020001 - CGB 003001 - CGD 003001 -). 03 FRONT-END ATTACHMENTS(MONO-BOOM)
FIT
1:1
100%

Артикул

Название

Примечание

Количество

9260653

BUCKET ASS'Y

1шт.

0

8104460

BUCKET

1шт.

00A

4454563

** STOPPER

2шт.

00B

4425500

** ADAPTER;TOOTH

5шт.

00C

4225804

** BOSS

2шт.

00D

4445241

** BOSS

1шт.

1

963228

* POINT;TOOTH

5шт.

2

963227

* RUBBER PIN LOCK

5шт.

3

963229

* PIN;LOCK

5шт.

4

2015428

* CUTTER;SIDE

1шт.

5

2015429

* CUTTER;SIDE

1шт.

6

J932060

* BOLT

8шт.

7

J951020

* NUT

8шт.

8

A590920

* WASHER;SPRING

8шт.

9

4445245

* BOSS

1шт.

10

4275784

* SHIM 1.0mm

12шт.

11

4275783

* PLATE

1шт.

12

J901480

* BOLT

3шт.

13

A590914

* WASHER;SPRING

3шт.

100

9200912

KIT;POINT

5шт.

Выбрано товаров: 20