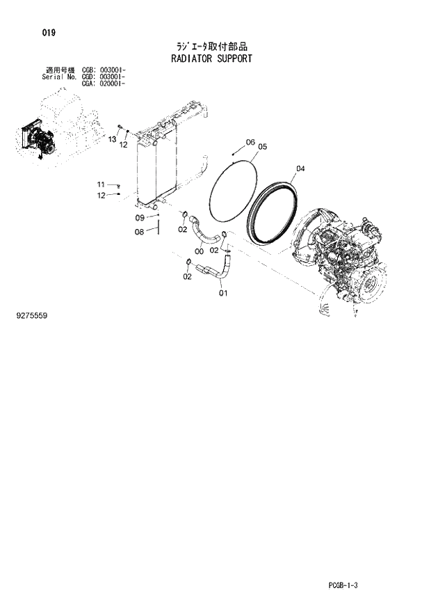
Запчасти Hitachi ZX170W-3 019 RADIATOR SUPPORT (CGA 020001 - CGB 003001 - CGD 003001 -). 01 UPPERSTRUCTURE

Схема запчастей Hitachi ZX170W-3 - 019 RADIATOR SUPPORT (CGA 020001 - CGB 003001 - CGD 003001 -). 01 UPPERSTRUCTURE
FIT
1:1
100%

Артикул

Название

Примечание

Количество

0

3109942

HOSE;WATER

1шт.

1

3108006

HOSE;WATER

1шт.

2

4357297

CLAMP;HOSE

4шт.

4

4632626

RUBBER

1шт.

5

4639513

BAND

1шт.

6

4426044

LOCK

1шт.

8

4159073

HOSE;VINYL

1шт.

9

4646064

CLAMP;HOSE

1шт.

11

J921635

BOLT

3шт.

12

J222016

WASHER

5шт.

13

J921640

BOLT

2шт.

Выбрано товаров: 11