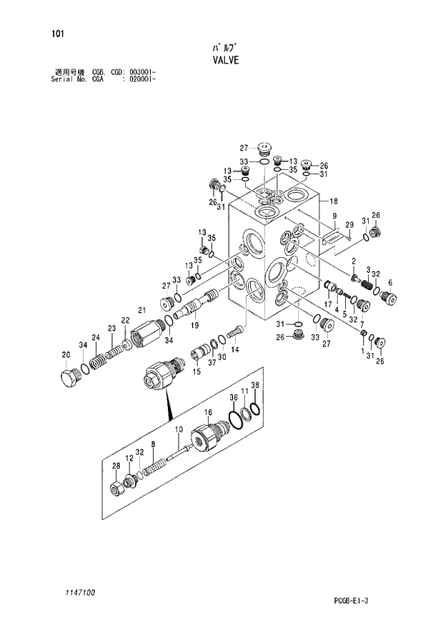
Запчасти Hitachi ZX170W-3 101 VALVE (CGA 020001 - CGB - CGB CGD 003001 -). 03 VALVE

Схема запчастей Hitachi ZX170W-3 - 101 VALVE (CGA 020001 - CGB - CGB CGD 003001 -). 03 VALVE
FIT
1:1
100%

Артикул

Название

Примечание

Количество

4674483

VALVE

1шт.

1

1147101

PLUG

1шт.

2

1147102

* PLUNGER

2шт.

3

1147103

* SPRING;COMPRES.

2шт.

4

1147104

* PLUNGER

1шт.

5

1147105

* SPRING;COMPRES.

1шт.

6

1147106

* PLUG

2шт.

7

1147107

* PLUG

1шт.

8

+++++++

* SPRING;COMPRES.

1шт.

9

+++++++

* NAME-PLATE

1шт.

10

+++++++

* VALVE;NEEDLE

1шт.

11

980505

* RING;BACK-UP

1шт.

12

+++++++

* SCREW

1шт.

13

949605

* PLUG

4шт.

14

1147109

* PISTON

1шт.

15

1147110

* SLEEVE

1шт.

16

+++++++

* BODY

1шт.

17

1147111

* SLEEVE

1шт.

18

1147112

* BODY

1шт.

19

1147113

* PLUNGER

1шт.

20

1147114

* PLUG

1шт.

21

1147115

* CONNECTOR

1шт.

22

1147116

* WASHER

1шт.

23

1147117

* SPRING;COMPRES.

1шт.

24

1147118

* SPRING;COMPRES.

1шт.

26

343512

* PLUG

5шт.

27

314205

* PLUG

3шт.

28

+++++++

* NUT

1шт.

29

+++++++

* SCREW;DRIVE

2шт.

30

933226

* O-RING

1шт.

31

4506408

* O-RING

5шт.

32

4506320

* O-RING

4шт.

33

957366

* O-RING

3шт.

34

4509180

* O-RING

2шт.

35

4510183

* O-RING

4шт.

36

U12547U

* O-RING

1шт.

37

4144044

* RING;BACK-UP

1шт.

38

4153096

* O-RING

1шт.

Выбрано товаров: 38