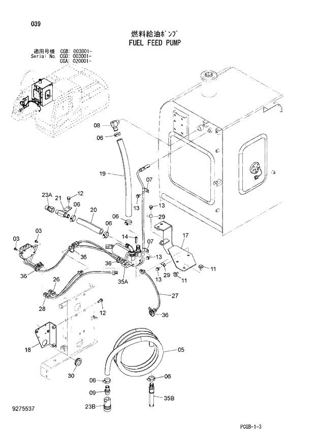
Запчасти Hitachi ZX170W-3 039 FUEL FEED PUMP (CGA 020001 - CGB 003001 - CGD 003001 -). 01 UPPERSTRUCTURE

Схема запчастей Hitachi ZX170W-3 - 039 FUEL FEED PUMP (CGA 020001 - CGB 003001 - CGD 003001 -). 01 UPPERSTRUCTURE
FIT
1:1
100%

Артикул

Название

Примечание

Количество

3

J260816

BOLT;SEMS

2шт.

03A

J900816

* BOLT

1шт.

03B

A590108

* WASHER;PLANE

1шт.

5

4647605

HOSE

1шт.

6

4505243

CLAMP;HOSE

6шт.

7

4190272

CLIP

2шт.

8

4662313

ELBOW;S

1шт.

9

4643703

JOINT

1шт.

11

J281030

BOLT;SEMS

3шт.

11A

J901030

* BOLT

1шт.

11B

4486055

* WASHER

1шт.

12

J271030

BOLT;SEMS

4шт.

12A

J901030

* BOLT

1шт.

12B

J222010

* WASHER

1шт.

13

J271020

BOLT;SEMS

4шт.

13A

J901020

* BOLT

1шт.

13B

J222010

* WASHER

1шт.

14

J781035

BOLT;SOCKET

2шт.

17

7053482

BRACKET

1шт.

18

8109194

BRACKET

1шт.

19

4674166

HOSE;FUEL

1шт.

20

4669544

HOSE;FUEL

1шт.

21

9767848

JOINT

1шт.

23

4659728

JOINT;SELF-SEAL

1шт.

23A

4426601

* COUPLING

1шт.

23B

4467262

* COUPLING

1шт.

26

4674171

HARNESS;WIRE

1шт.

27

4674177

HARNESS;WIRE

1шт.

28

4674175

HARNESS;WIRE

1шт.

29

4355515

BRACKET

2шт.

30

4210485

BUSHING;RUBBER

1шт.

35

9280203

PUMP;REFUELING

1шт.

35A

4641309

* PUMP

1шт.

35B

4671578

* STRAINER

1шт.

36

4055312

CLIP;BAND

4шт.

Выбрано товаров: 35