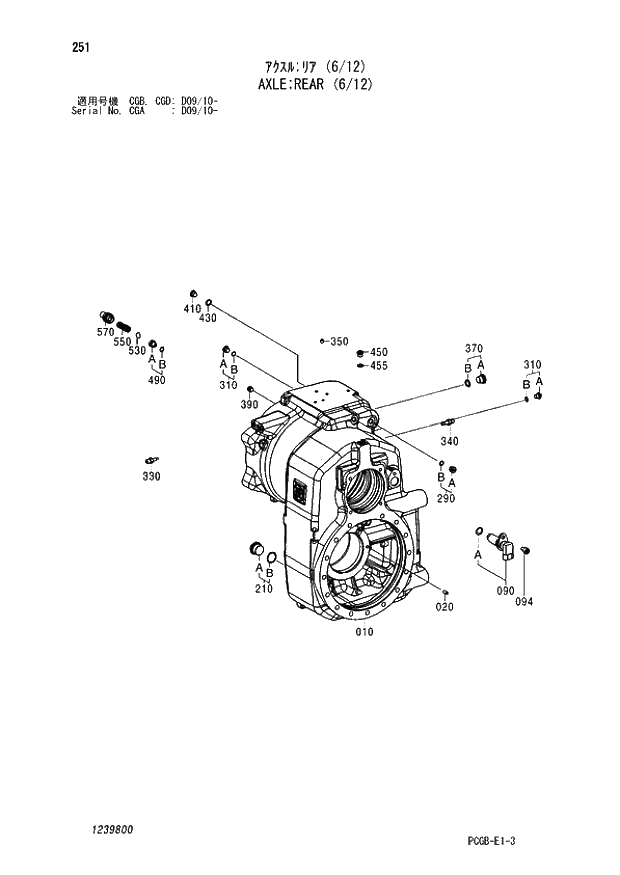
Запчасти Hitachi ZX170W-3 251 AXLE REAR (6-12) (CGA D09-10 - CGB - CGB CGD D09-10 -). 06 POWER TRAIN

Схема запчастей Hitachi ZX170W-3 - 251 AXLE REAR (6-12) (CGA D09-10 - CGB - CGB CGD D09-10 -). 06 POWER TRAIN
FIT
1:1
100%

Артикул

Название

Примечание

Количество

4707693

AXLE;REAR (6/12)

1шт.

10

1139901

* HOUSING

1шт.

20

1139902

* PIN

1шт.

90

1139903

* TRANSMITTER

1шт.

090A

1139904

** O-RING

1шт.

94

1139905

* BOLT;SOCKET

1шт.

210

+++++++

* PLUG

2шт.

210A

1139906

** PLUG

1шт.

210B

879605

** O-RING

1шт.

290

+++++++

* PLUG

2шт.

290A

1139908

** PLUG

1шт.

290A

879014

** O-RING

1шт.

310

+++++++

* PLUG

3шт.

310A

1139908

** PLUG

1шт.

310B

879014

** O-RING

1шт.

330

879015

* VALVE;BREATHER

2шт.

340

879015

* VALVE;BREATHER

1шт.

350

1139911

* PLUG

8шт.

370

+++++++

* PLUG

2шт.

370A

884560

** PLUG

1шт.

370B

879636

** O-RING

1шт.

390

1139914

* FITTING;GREASE

1шт.

410

896501

* PLUG

1шт.

430

879606

* RING;SEAL

1шт.

450

896501

* PLUG

1шт.

455

879606

* RING;SEAL

1шт.

490

+++++++

* PLUG

1шт.

490A

1139917

** PLUG

1шт.

490B

1139918

** O-RING

1шт.

530

1139919

* BALL

1шт.

550

1139920

* SPRING;COMPRES.

1шт.

570

1139921

* BREATHER;AIR

1шт.

Выбрано товаров: 0