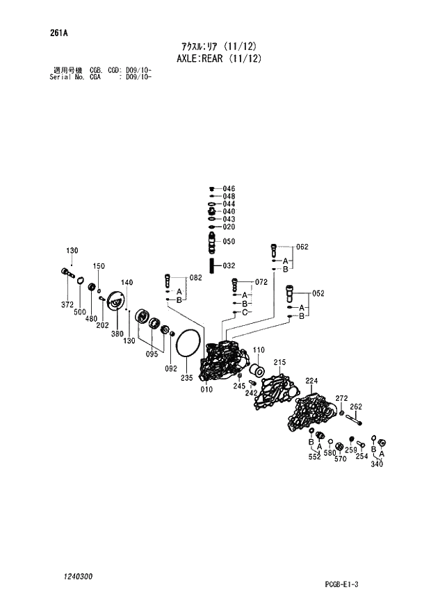
Запчасти Hitachi ZX170W-3 261 AXLE REAR (11-12) (CGA D09-10 - CGB - CGB CGD D09-10 -). 06 POWER TRAIN

Схема запчастей Hitachi ZX170W-3 - 261 AXLE REAR (11-12) (CGA D09-10 - CGB - CGB CGD D09-10 -). 06 POWER TRAIN
FIT
1:1
100%

Артикул

Название

Примечание

Количество

4707693

AXLE;REAR (11/12)

1шт.

10

1146101

* HOUSING

1шт.

20

879602

* GASKET

1шт.

32

879603

* SPRING;COMPRES.

1шт.

40

1146102

* PLUG ASS'Y

1шт.

43

879004

* O-RING

1шт.

44

879634

* RING;RETAINING

1шт.

46

896501

* PLUG

1шт.

48

879606

* RING;SEAL

1шт.

50

879607

* PISTON

1шт.

52

879608

* VALVE

1шт.

052A

879609

** O-RING

1шт.

052B

879610

** O-RING

1шт.

62

879611

* VALVE;CHECK

1шт.

062A

879612

** O-RING

1шт.

062B

879637

** O-RING

1шт.

72

879614

* VALVE;CHECK

1шт.

072A

879612

** O-RING

1шт.

072B

879637

** O-RING

1шт.

072C

879014

** O-RING

1шт.

82

879615

* VALVE;CHECK

1шт.

082A

879612

** O-RING

1шт.

082B

879637

** O-RING

1шт.

92

879616

* SLEEVE

1шт.

95

1140422

* ROTOR ASS'Y

1шт.

110

879618

* FILTER

1шт.

130

879619

* BALL

4шт.

140

879620

* SPRING;COMPRES.

3шт.

150

879621

* RING;RETAINING

1шт.

202

879622

* BOLT

3шт.

215

1140428

* GASKET

1шт.

224

879624

* COVER

1шт.

235

879625

* O-RING

2шт.

242

879626

* BOLT;SOCKET

1шт.

245

879629

* WASHER 1.5mm

1шт.

254

879627

* BOLT;SOCKET

23шт.

259

879629

* WASHER 1.5mm

23шт.

262

879628

* BOLT;SOCKET

2шт.

272

879629

* WASHER 1.5mm

2шт.

340

+++++++

* PLUG

1шт.

340A

879017

** PLUG

1шт.

340B

1140436

** O-RING

1шт.

372

1140437

* SHAFT

1шт.

380

879632

* COVER

1шт.

480

879633

* BRG.;BALL

1шт.

500

879634

* RING;RETAINING

1шт.

552

+++++++

* SLEEVE

2шт.

552A

879635

** SOCKET

1шт.

552B

879636

** O-RING

1шт.

570

1140442

* NUT

2шт.

580

1140443

* BALL

2шт.

Выбрано товаров: 0