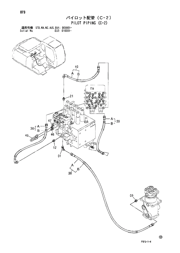
Запчасти Hitachi ZX180LC 073 PILOT PIPING (C-2) (005001 - EU2 010001 -). 01 UPPERSTRUCTURE

Схема запчастей Hitachi ZX180LC - 073 PILOT PIPING (C-2) (005001 - EU2 010001 -). 01 UPPERSTRUCTURE
FIT
1:1
100%

Артикул

Название

Примечание

Количество

1

A852322

ELBOW;S

1шт.

01A

957366

* O-RING

1шт.

9

A852122

ADAPTER;S

1шт.

09A

957366

* O-RING

1шт.

12

A852122

ADAPTER;S

1шт.

12A

957366

* O-RING

1шт.

15

A852322

ELBOW;S

1шт.

15A

957366

* O-RING

1шт.

21

A852122

ADAPTER;S

1шт.

21A

957366

* O-RING

1шт.

36

9204539

HOSE ASS'Y

1шт.

36A

4427782

* HOSE

1шт.

36B

4327293

* PROTECTOR

1шт.

38

9204541

HOSE ASS'Y

1шт.

38A

4416886

* HOSE

1шт.

38B

4327293

* PROTECTOR

2шт.

39

9197588

HOSE ASS'Y

1шт.

39A

4437282

* HOSE

1шт.

39B

4327293

* PROTECTOR

1шт.

40

9197594

HOSE ASS'Y

1шт.

40A

4437388

* HOSE

1шт.

40B

4327293

* PROTECTOR

1шт.

45

4452289

PIPE

1шт.

46

4255304

FITTING;PIPE

1шт.

46A

957366

* O-RING

1шт.

47

4293950

ELBOW;S

1шт.

47A

957366

* O-RING

1шт.

Выбрано товаров: 27