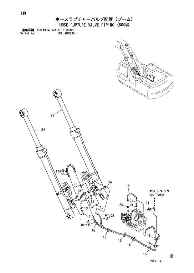
Запчасти Hitachi ZX180LCN 339 HOSE RUPTURE VALVE PIPING (BOOM) (005001 - EU2 010001 -). 03 FRONT-END ATTACHMENTS(MONO-BOOM)

Схема запчастей Hitachi ZX180LCN - 339 HOSE RUPTURE VALVE PIPING (BOOM) (005001 - EU2 010001 -). 03 FRONT-END ATTACHMENTS(MONO-BOOM)
FIT
1:1
100%

Артикул

Название

Примечание

Количество

1

4202422

ADAPTER;S

1шт.

01A

4509180

* O-RING

1шт.

3

9222918

HOSE ASS'Y

1шт.

03A

4488228

* HOSE

1шт.

03B

4327293

* PROTECTOR

4шт.

4

9199735

HOSE ASS'Y

1шт.

04A

4452381

* HOSE

1шт.

04B

4327293

* PROTECTOR

5шт.

5

4246672

UNION;M

1шт.

6

A852523

TEE;S

2шт.

06A

957366

* O-RING

1шт.

10

4488226

HOSE

1шт.

11

9190082

HOSE ASS'Y

1шт.

11A

4436267

* HOSE

1шт.

11B

4327293

* PROTECTOR

1шт.

12

9222917

HOSE ASS'Y

1шт.

12A

4483947

* HOSE

1шт.

12B

4327293

* PROTECTOR

1шт.

13

A852323

ELBOW;S

2шт.

13A

957366

* O-RING

1шт.

15

A852122

ADAPTER;S

1шт.

15A

957366

* O-RING

1шт.

16

4055312

CLIP;BAND

7шт.

17

4279119

ELBOW;S

1шт.

17A

957366

* O-RING

1шт.

19

4488227

HOSE

1шт.

20

A852133

ADAPTER;S

1шт.

20A

4509180

* O-RING

1шт.

21

4246672

UNION;M

1шт.

22

4468815

CYL.;BOOM

1шт.

22

4607547

CYL.;BOOM

1шт.

24

4468814

CYL.;BOOM

1шт.

24

4607548

CYL.;BOOM

1шт.

Выбрано товаров: 33