Запчасти Hitachi ZX180LCN 033 VALVE CONTROL (5-8) (005001 - EU2 010001 -). 03 VALVE

Схема запчастей Hitachi ZX180LCN - 033 VALVE CONTROL (5-8) (005001 - EU2 010001 -). 03 VALVE
FIT
1:1
100%

Артикул

Название

Примечание

Количество

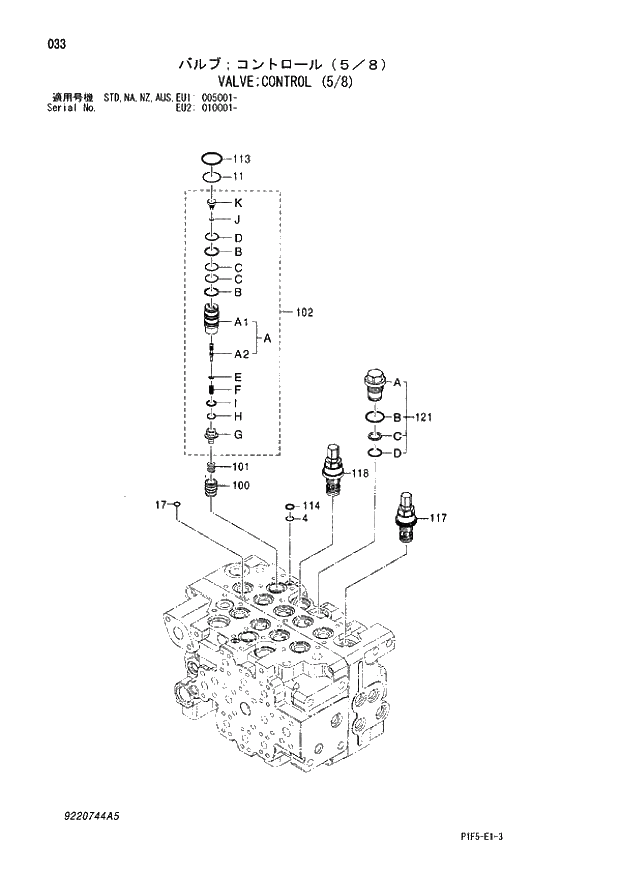
9220744

VALVE;CONTROL

I

1шт.

-9232374

VALVE;CONTROL

1шт.

4

4506320

* O-RING

1шт.

11

4303809

* O-RING

1шт.

17

4506408

* O-RING

1шт.

100

2046592

* VALVE;HOLDING

1шт.

101

2046418

* SPRING

1шт.

102

9201381

* BODY

1шт.

102A

9201383

** BODY ASS'Y

1шт.

102A1

+++++++

*** BODY

1шт.

102A2

+++++++

*** SPOOL

1шт.

102B

2046504

** RING;BACK-UP

2шт.

102C

4509181

** O-RING

2шт.

102D

4506420

** O-RING

1шт.

102E

2046484

** WASHER

1шт.

102F

2046608

** SPRING

1шт.

102G

2046455

** PLUG

1шт.

102H

4509180

** O-RING

1шт.

102I

2046499

** RING;BACK-UP

1шт.

102J

4506405

** O-RING

1шт.

102K

2046593

** STOPPER

1шт.

113

2046626

* RING;BACK-UP

1шт.

114

2046627

* RING;BACK-UP

1шт.

117

9208771

* VALVE;RELIEF

1шт.

118

9200491

* VALVE;RELIEF

1шт.

121

9200483

* PLUG ASS'Y

1шт.

121A

2046444

** PLUG

1шт.

121B

4506428

** O-RING

1шт.

121C

2046498

** RING;BACK-UP

1шт.

121D

4506420

** O-RING

1шт.

Выбрано товаров: 30