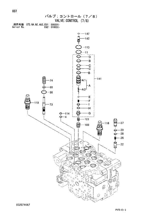
Запчасти Hitachi ZX180LCN 037 VALVE CONTROL (7-8) (005001 - EU2 010001 -). 03 VALVE

Схема запчастей Hitachi ZX180LCN - 037 VALVE CONTROL (7-8) (005001 - EU2 010001 -). 03 VALVE
FIT
1:1
100%

Артикул

Название

Примечание

Количество

9220744

VALVE;CONTROL

I

1шт.

-9232374

VALVE;CONTROL

1шт.

4

4506320

* O-RING

1шт.

11

4303809

* O-RING

1шт.

22

2046600

* VALVE;CHECK

1шт.

26

2046415

* SPRING

1шт.

27

2046449

* PLUG

1шт.

28

4506412

* O-RING

1шт.

29

2046494

* RING;BACK-UP

1шт.

68

2046481

* WASHER

1шт.

73

3096930

* SPOOL

1шт.

74

2046431

* SPRING

1шт.

98

2046488

* O-RING

1шт.

100

2046592

* VALVE;HOLDING

1шт.

101

2046418

* SPRING

1шт.

113

2046626

* RING;BACK-UP

1шт.

114

2046627

* RING;BACK-UP

1шт.

118

9200491

* VALVE;RELIEF

1шт.

119

9200492

* VALVE;RELIEF

1шт.

141

9201382

* BODY

1шт.

141A

9201384

** BODY ASS'Y

1шт.

141A1

+++++++

*** BODY

1шт.

141A2

+++++++

*** SPOOL

1шт.

141B

2046504

** RING;BACK-UP

2шт.

141C

4509181

** O-RING

2шт.

141D

4506420

** O-RING

1шт.

141E

2046484

** WASHER

1шт.

141F

2046608

** SPRING

1шт.

141G

2046455

** PLUG

1шт.

141H

4509180

** O-RING

1шт.

141I

2046499

** RING;BACK-UP

1шт.

142

2046618

* SCREW

1шт.

147

4506409

* O-RING

1шт.

Выбрано товаров: 33