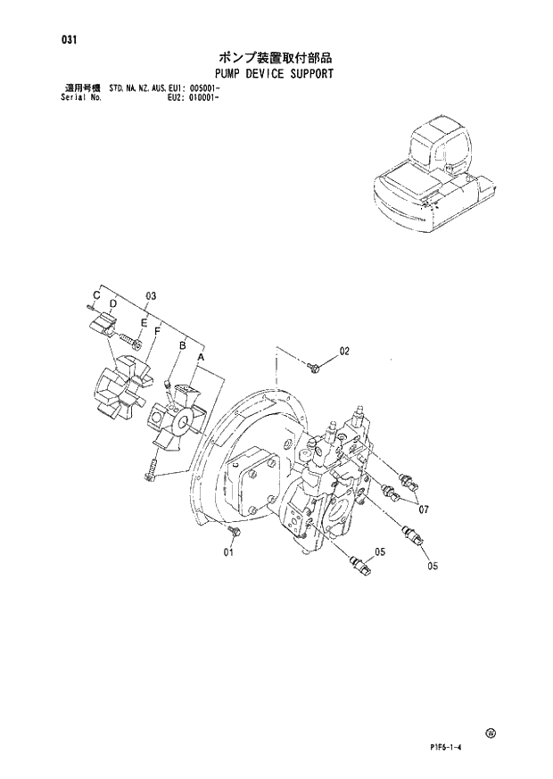
Запчасти Hitachi ZX180LCN 031 PUMP DEVICE SUPPORT (005001 - EU2 010001 -). 01 UPPERSTRUCTURE

Схема запчастей Hitachi ZX180LCN - 031 PUMP DEVICE SUPPORT (005001 - EU2 010001 -). 01 UPPERSTRUCTURE
FIT
1:1
100%

Артикул

Название

Примечание

Количество

1

J011030

BOLT;SEMS

0

5шт.

1

J271030

BOLT;SEMS

T D03/05 -

5шт.

1

J271030

BOLT;SEMS

T D03/05 -

5шт.

2

J011035

BOLT;SEMS

0

3шт.

2

J271035

BOLT;SEMS

T D03/05 -

3шт.

2

J271035

BOLT;SEMS

T D03/05 -

3шт.

3

4449494

COUPLING ASS'Y

T

1шт.

3

4449494

COUPLING ASS'Y

T

1шт.

3

4616689

COUPLING ASS'Y

1шт.

03A

4629353

* HUB

1шт.

03A

4629351

* HUB

1шт.

03B

4334899

* SCREW;SET

2шт.

03C

4101345

* PIN;SPRING

4шт.

03D

4334892

* INNSERT

4шт.

03E

4334894

* BOLT;SOCKET

4шт.

03F

4334891

* ELEMENT

1шт.

5

4436271

SENSOR;PRES.

2шт.

05A

4153097

* O-RING

1шт.

7

4436536

SENSOR;PRES.

2шт.

07A

4153095

* O-RING

1шт.

Выбрано товаров: 0