Качественные детали и логистика
Оригинальные и аналоговые запчасти с доставкой по России, Казахстану и Беларуси
©2022 PartSell ООО "Система" ИНН 2463123282 ОГРН 1212400004838
Центральный офис: г. Красноярск, Академика Киренского, д.87, пом.4
Телефон: 8 (800) 777-65-74 Email: zakaz@partsell.ru
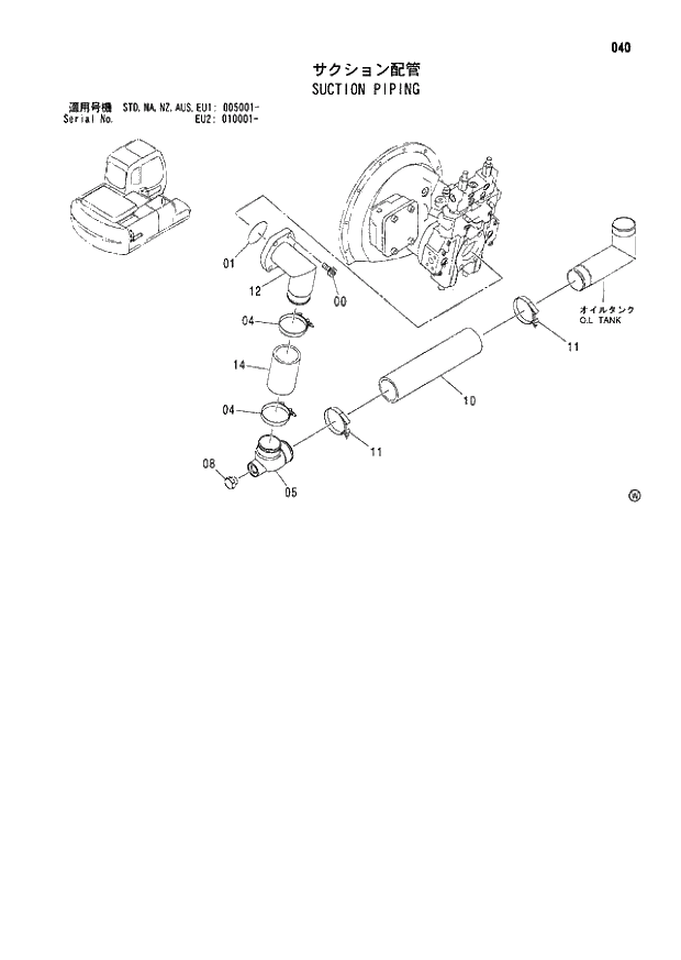
040 SUCTION PIPING (005001 - EU2 010001 -).
№
Артикул
Название
Примечание
Количество
0
J781640
BOLT;SOCKET
4шт.
1
A811085
O-RING
1шт.
4
4282483
CLAMP;HOSE
2шт.
5
3073276
PIPE;SUCTION
8
4174542
PLUG
08A
4506424
* O-RING
10
4450868
HOSE;RUBBER
11
12
8082633
14
4449325
Выбрано товаров: 10