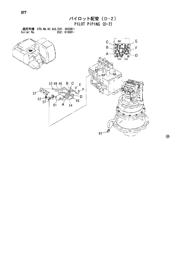
Запчасти Hitachi ZX180LCN 077 PILOT PIPING (D-2) (005001 - EU2 010001 -). 01 UPPERSTRUCTURE

Схема запчастей Hitachi ZX180LCN - 077 PILOT PIPING (D-2) (005001 - EU2 010001 -). 01 UPPERSTRUCTURE
FIT
1:1
100%

Артикул

Название

Примечание

Количество

1

4436535

SENSOR;PRES.

1шт.

46

4452290

PIPE

1шт.

48

4452341

PIPE

1шт.

50

4452342

PIPE

1шт.

51

4452291

PIPE

1шт.

54

4452292

PIPE

1шт.

56

4452362

PIPE

1шт.

57

4420392

FITTING;PIPE

6шт.

57A

4509180

* O-RING

1шт.

Выбрано товаров: 0