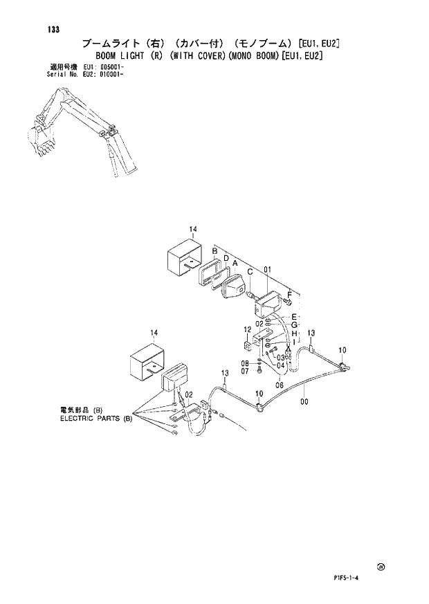
Запчасти Hitachi ZX180LCN 133 BOOM LIGHT (R) (WITH COVER)(MONO BOOM)(EU1,EU2) (EU1 005001 - EU2 010001 -). 01 UPPERSTRUCTURE

Схема запчастей Hitachi ZX180LCN - 133 BOOM LIGHT (R) (WITH COVER)(MONO BOOM)(EU1,EU2) (EU1 005001 - EU2 010001 -). 01 UPPERSTRUCTURE
FIT
1:1
100%

Артикул

Название

Примечание

Количество

0

4344125

HARNESS;WIRE

1шт.

1

4336570

LAMP;HEAD ASS'Y

I

1шт.

1

4326800

LAMP;HEAD ASS'Y

1шт.

01A

4326801

* LAMP;UNIT

1шт.

01B

4326802

* FRAME

1шт.

01C

4285648

* BULB

1шт.

01D

4326803

* GASKET

1шт.

01E

4307026

* WASHER

1шт.

01F

4307027

* SCREW

4шт.

01G

A590114

* WASHER;PLANE

1шт.

01H

A590914

* WASHER;SPRING

1шт.

01I

J952014

* NUT

1шт.

2

4602796

BRACKET

1шт.

3

J901425

BOLT

1шт.

4

A590914

WASHER;SPRING

1шт.

6

4254604

HARNESS;WIRE

1шт.

7

M430613

SCREW

1шт.

8

A590906

WASHER;SPRING

1шт.

10

4055311

CLIP;BAND

5шт.

12

4224632

SEAT;SCREW

1шт.

13

4272256

CLIP;WD.

2шт.

14

8091044

COVER

2шт.

Выбрано товаров: 22