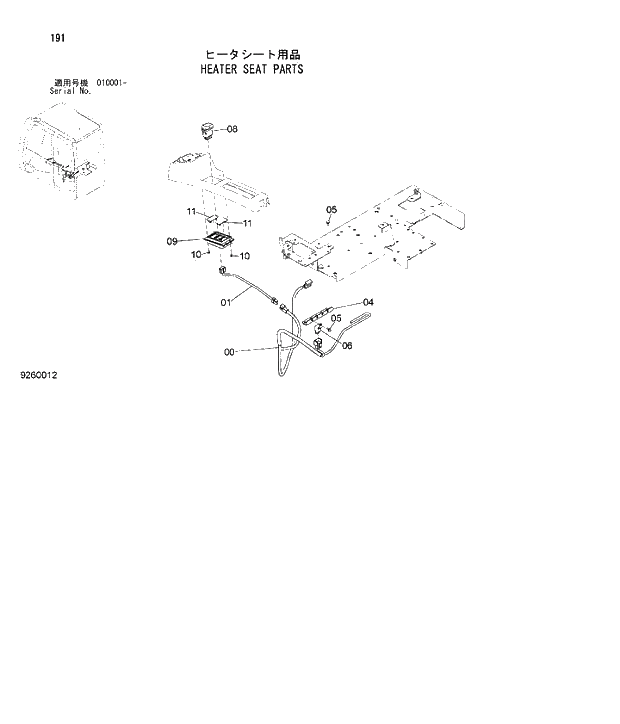
Запчасти Hitachi ZX180W-3 191 HEATER SEAT PARTS. 01 UPPERSTRUCTURE

Схема запчастей Hitachi ZX180W-3 - 191 HEATER SEAT PARTS. 01 UPPERSTRUCTURE
FIT
1:1
100%

Артикул

Название

Примечание

Количество

00

3104470

HARNESS;WIRE

1шт.

01

4651877

HARNESS;WIRE

1шт.

04

8100850

BRACKET

1шт.

05

J460616

SCREW;SEMS

3шт.

06

4414207

RELAY

1шт.

08

4651292

SWITCH

1шт.

09

2053294

CASE(3)

1шт.

10

4361800

SCREW;TAPPING

4шт.

11

4620283

CAP

2шт.

Выбрано товаров: 9