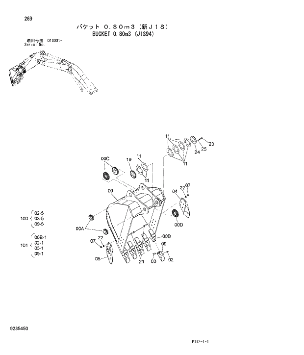
Запчасти Hitachi ZX180W-3 269 BUCKET 0.80m3 (JIS94). 03 FRONT-END ATTACHMENTS

Схема запчастей Hitachi ZX180W-3 - 269 BUCKET 0.80m3 (JIS94). 03 FRONT-END ATTACHMENTS
FIT
1:1
100%

Артикул

Название

Примечание

Количество

9235450

BUCKET ASS'Y

1шт.

00

8094830

* BUCKET

1шт.

00A

4414271

** ADAPTER;TOOTH

5шт.

00B

4225804

** BOSS

2шт.

00C

4445241

** BOSS

1шт.

00D

4454563

** STOPPER

2шт.

02

4501625

* RUBBER;LOCK

5шт.

03

4501627

* PIN;LOCK

5шт.

04

2014503

* CUTTER;SIDE

1шт.

05

2014504

* CUTTER;SIDE

1шт.

07

J951022

* NUT

12шт.

09

4427919

* POINT;TOOTH

5шт.

11

4275784

* SHIM 1.0mm

12шт.

19

4445245

* BOSS

1шт.

21

J932270

* BOLT

12шт.

22

A590922

* WASHER;SPRING

12шт.

23

J901480

* BOLT

3шт.

24

4275783

* PLATE

1шт.

25

A590914

* WASHER;SPRING

3шт.

100

9249619

KIT;POINT

1шт.

101

9200867

KIT;POINT

5шт.

Выбрано товаров: 21